LUC DF3031Tarcza hamulcowa MITSUBISHI PAJERO 83-91
1 x TARCZA HAMULCOWA zgodnie z wymogami dotyczącymi bezpieczeństwa producent zaleca zakup i wymianę parami (2szt) (277X22MM) MITSUBISHI PAJERO I CANVAS TOP (L04_G) 01/83-11/90 L 300
Łódź0
Pabianice0
Milionowa0
M2 do 17.50 2dni
M8 do 17.00 2dni
M9 do 15.00 jutro
M7 do 17.50 jutro
M17 do 18.50 2dni
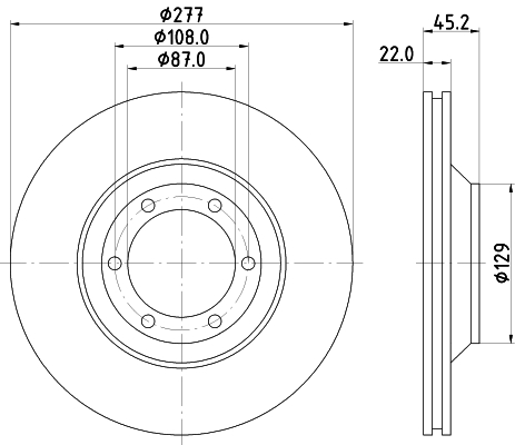
| Typ tarczy hamulcowej | wentylowany |
| średnica zewnętrzna [mm] | 277 |
| Grubość tarczy hamulcowej [mm] | 22 |
| Minimalna grubość [mm] | 20,4 |
| Średnica otworu centrującego [mm] | 87 |
| Wysokość [mm] | 45 |
| Liczba otworów | 6 |
| Wymiar gwintu | 10,7 |
| Ø rozmieszczenia otworów [mm] | 108 |
BLP ADC443110TARCZA HAMULC. MITSUBISHI (!)
1 x TARCZA HAMULCOWA zgodnie z wymogami dotyczącymi bezpieczeństwa producent zaleca zakup i wymianę parami (2szt)
Łódź0
Pabianice0
Milionowa0
M2 do 17.50 2dni
M7 do 17.50 jutro
M17 do 18.50 2dni
| Grubość tarczy hamulcowej [mm] | 26 |
| Felga, liczba otworów | 6 |
| Grubość [mm] | 46 |
| średnica zewnętrzna [mm] | 290 |
| Ø rozmieszczenia otworów [mm] | 140 |
| Powierzchnia | pokryty |
| Typ tarczy hamulcowej | z wentylacją wewnętrzną |
| Strona zabudowy | Oś przednia |
| Minimalna grubość [mm] | 24,4 |
| Średnica otworu centrującego [mm] | 94 |
| uwzględnić informację serwisową |
BLP ADC44318Tarcza hamulcowa MITSUBISHI (!)
1 x TARCZA HAMULCOWA zgodnie z wymogami dotyczącymi bezpieczeństwa producent zaleca zakup i wymianę parami (2szt)
Łódź0
Pabianice0
Milionowa0
M2 do 17.50 2dni
M7 do 17.50 jutro
M17 do 18.50 2dni
| Grubość tarczy hamulcowej [mm] | 22 |
| Felga, liczba otworów | 6 |
| Grubość [mm] | 45 |
| średnica zewnętrzna [mm] | 277 |
| Ø rozmieszczenia otworów [mm] | 108 |
| Powierzchnia | pokryty |
| Typ tarczy hamulcowej | z wentylacją wewnętrzną |
| Strona zabudowy | Oś przednia |
| Minimalna grubość [mm] | 20,4 |
| Średnica otworu centrującego [mm] | 87 |
| uwzględnić informację serwisową |
FEB 26048Tarcza hamulcowa MITSUBISHI (!)
1 x TARCZA HAMULCOWA zgodnie z wymogami dotyczącymi bezpieczeństwa producent zaleca zakup i wymianę parami (2szt)
Łódź0
Pabianice0
Milionowa0
M2 do 17.50 2dni
M7 do 17.50 jutro
M17 do 18.50 2dni
| Grubość tarczy hamulcowej [mm] | 26 |
| Felga, liczba otworów | 6 |
| Grubość [mm] | 46 |
| średnica zewnętrzna [mm] | 290 |
| Ø rozmieszczenia otworów [mm] | 140 |
| Powierzchnia | pokryty |
| Typ tarczy hamulcowej | z wentylacją wewnętrzną |
| Strona zabudowy | Oś przednia |
| Minimalna grubość [mm] | 24,4 |
| Średnica otworu centrującego [mm] | 94 |
| uwzględnić informację serwisową |
HEL 8DD355113041tarcza ham. prz. HY MI
Łódź0
Pabianice0
Milionowa0
M1 do 17.50 jutro
| Typ tarczy hamulcowej | z wentylacją wewnętrzną |
| średnica zewnętrzna [mm] | 277 |
| Grubość tarczy hamulcowej [mm] | 22 |
| Wysokość [mm] | 45,2 |
| Minimalna grubość [mm] | 20,4 |
| Średnica wewnętrzna [mm] | 1 |
| Ø rozmieszczenia otworów [mm] | 108 |
| Średnica otworu centrującego [mm] | 87 |
| Wzór otworów/liczba otworów | 06/06 |
| Średnica otworu szpilki koła [mm] | 10,5 |
| Informacja uzupełniająca | bez piasty koła |
| Informacja uzupełniająca | bez łożyska koła |
| Informacja uzupełniająca | bez sworznia mocującego koła |
| Ciężar [kg] | 6 |
| Techniczny numer informacyjny | 54494 |
TXT 92149400TARCZA HAM. HYUNDAI GALLOPER 99-
Łódź0
Pabianice0
Milionowa0
M7 do 17.50 jutro
M17 do 18.50 2dni
| Typ tarczy hamulcowej | z wentylacją wewnętrzną |
| średnica zewnętrzna [mm] | 277 |
| Grubość tarczy hamulcowej [mm] | 22 |
| Wysokość [mm] | 45,2 |
| Minimalna grubość [mm] | 20,4 |
| Średnica wewnętrzna [mm] | 1 |
| Ø rozmieszczenia otworów [mm] | 108 |
| Średnica otworu centrującego [mm] | 87 |
| Wzór otworów/liczba otworów | 06/06 |
| Średnica otworu szpilki koła [mm] | 10,5 |
| Informacja uzupełniająca | bez piasty koła |
| Informacja uzupełniająca | bez łożyska koła |
| Informacja uzupełniająca | bez sworznia mocującego koła |
| Długość opakowania [cm] | 30,8 |
| Szerokość opakowania [cm] | 30,8 |
| Wysokość opakowania [cm] | 12,7 |
| Ciężar [kg] | 6 |