0
0
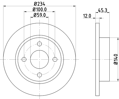
0| Kod towaru | ABS 16211 |
| Producent | A.B.S. |
| Opis | tarcza hamulcowa |
| Średnica zewnętrzna [mm] | 234 |
| Grubość tarczy hamulcowej [mm] | 12 |
| Minimalna grubość [mm] | 10 |
| Wysokość [mm] | 45 |
| Felga, liczba otworów | 4 |
| Typ tarczy hamulcowej | pełny |
| Średnica otworu centrującego [mm] | 59 |
| Ø rozmieszczenia otworów [mm] | 100 |
| Powierzchnia | pokryty |
| Średnica piasty [mm] | 140 |
00| Kod towaru | ASH 60-01-198 |
| Producent | ASHIKA |
| Opis | tarcza hamulcowa |
0| Oś przednia | |
| Kod towaru | ASH 60-01-198C |
| Producent | ASHIKA |
| Opis | tarcza hamulcowa |
| Strona zabudowy | Oś przednia |
| Ø rozmieszczenia otworów [mm] | 59 |
| Wysokość [mm] | 45,8 |
| Średnica zewnętrzna [mm] | 233,6 |
| Grubość tarczy hamulcowej [mm] | 12 |
| Minimalna grubość [mm] | 10 |
| Liczba otworów | 4 |
| Typ tarczy hamulcowej | pełny |
| Oznaczenie kontrolne | ECE R90 APPROVED |
| Powierzchnia | lakierowany |
| Moment dokręcenia [Nm] | 110 |
| dla numeru OE | 402065F003 |
0
0
00| Oś przednia | |
| Kod towaru | BLP ADN14362 |
| Producent | BLUE PRINT |
| Opis | tarcza hamulcowa |
| Grubość tarczy hamulcowej [mm] | 12 |
| Felga, liczba otworów | 4 |
| Grubość [mm] | 45 |
| Średnica zewnętrzna [mm] | 234 |
| Ø rozmieszczenia otworów [mm] | 100 |
| Powierzchnia | pokryty |
| Typ tarczy hamulcowej | pełny |
| Strona zabudowy | Oś przednia |
| Minimalna grubość [mm] | 10 |
| Średnica otworu centrującego [mm] | 59 |
| Przestrzegać informacji serwisowych | |
0
0
00| Kod towaru | BOS 0986478288 |
| Producent | BOSCH |
| Opis | tarcza hamulcowa |
| Średnica zewnętrzna [mm] | 233,8 |
| Grubość tarczy hamulcowej [mm] | 12 |
| Minimalna grubość [mm] | 10 |
| Wysokość [mm] | 45,2 |
| Ø rozmieszczenia otworów [mm] | 100 |
| Typ tarczy hamulcowej | pełny |
| Średnica otworu centrującego [mm] | 59 |
| Liczba otworów | 4 |
| Powierzchnia | naoliwione |
| spełnia wymagania Normy ECE | ECE-R90 |
| Średnica otworu do [mm] | 12,8 |
0
0| Kod towaru | DAC 602230 |
| Producent | DACO GERMANY |
| Opis | tarcza hamulcowa |
| Wysokość [mm] | 45,2 |
| Typ tarczy hamulcowej | pełny |
| Grubość tarczy hamulcowej [mm] | 12 |
| Wymiar gwintu | 12,6 |
| Minimalna grubość [mm] | 10 |
| Średnica zewnętrzna [mm] | 234 |
| Liczba otworów | 4 |
| Średnica otworu centrującego [mm] | 59 |
| Powierzchnia | lakierowany |
| Ø rozmieszczenia otworów [mm] | 100 |
0| Kod towaru | DEC B130107 |
| Producent | DENCKERMANN |
| Opis | tarcza hamulcowa |
| Minimalna grubość [mm] | 10 |
| Typ tarczy hamulcowej | pełny |
| Średnica otworu [mm] | 12,5 |
| Grubość tarczy hamulcowej [mm] | 12 |
| Ø rozmieszczenia otworów [mm] | 100 |
| Liczba otworów | 4 |
| Średnica wewnętrzna [mm] | 129,5 |
| Wysokość [mm] | 45,2 |
| Średnica otworu centrującego [mm] | 59 |
| Średnica zewnętrzna [mm] | 234 |
| Rozporządzenie UE w sprawie bezpieczeństwa produktów (GPSR) | IEC 60417-6183 wymagana specjalistyczna wiedza mechaniczna |
0| Oś przednia | |
| Kod towaru | DP1010.11.0080 |
| Producent | DR!VE+ |
| Opis | tarcza hamulcowa |
| Felga, liczba otworów | 4 |
| Strona zabudowy | Oś przednia |
| Długość [mm] | 233,8 |
| Wysokość [mm] | 45,3 |
| Typ tarczy hamulcowej | pełny |
| Grubość tarczy hamulcowej [mm] | 12 |
| Minimalna grubość [mm] | 10 |
| Średnica zewnętrzna [mm] | 234 |
| Średnica otworu centrującego [mm] | 59,1 |
| Powierzchnia | naoliwione |
0
0
00| Oś przednia | |
| Kod towaru | FEB 10630 |
| Producent | FEBI BILSTEIN |
| Opis | tarcza hamulcowa |
| Grubość tarczy hamulcowej [mm] | 12 |
| Felga, liczba otworów | 4 |
| Grubość [mm] | 45 |
| Średnica zewnętrzna [mm] | 234 |
| Ø rozmieszczenia otworów [mm] | 100 |
| Powierzchnia | pokryty |
| Typ tarczy hamulcowej | pełny |
| Strona zabudowy | Oś przednia |
| Minimalna grubość [mm] | 10 |
| Średnica otworu centrującego [mm] | 59 |
| Przestrzegać informacji serwisowych | |
| Kod towaru | HEL 8DD355103341 |
| Producent | HELLA PAGID |
| Opis | tarcza hamulcowa |
| Typ tarczy hamulcowej | pełny |
| Średnica zewnętrzna [mm] | 234 |
| Grubość tarczy hamulcowej [mm] | 12 |
| Wysokość [mm] | 45,3 |
| Minimalna grubość [mm] | 10 |
| Średnica wewnętrzna [mm] | 129,6 |
| Ø rozmieszczenia otworów [mm] | 100 |
| Średnica otworu centrującego [mm] | 59 |
| Wzór otworów/liczba otworów | 04/04 |
| Średnica otworu szpilki koła [mm] | 12,7 |
| Informacja uzupełniająca | bez piasty koła |
| Informacja uzupełniająca | bez łożyska koła |
| Informacja uzupełniająca | bez sworznia mocującego koła |
| Ciężar [kg] | 3,5 |
| Techniczny numer informacyjny | 52315 |
0
0| Kod towaru | JPN 30H1038-JPN |
| Producent | JPN |
| Opis | tarcza hamulcowa |
| Typ tarczy hamulcowej | pełny |
| Wysokość [mm] | 45,2 |
| Grubość tarczy hamulcowej [mm] | 12 |
| Wymiar gwintu | 12,6 |
| Średnica zewnętrzna [mm] | 234 |
| Liczba otworów | 4 |
| Średnica otworu centrującego [mm] | 59 |
| Ø rozmieszczenia otworów [mm] | 100 |
0| Kod towaru | JUR 561663JC |
| Producent | JURID |
| Opis | tarcza hamulcowa |
| Typ tarczy hamulcowej | pełny |
| Średnica zewnętrzna [mm] | 234 |
| Grubość tarczy hamulcowej [mm] | 12 |
| wymagana liczba | 1 |
| Informacja uzupełniająca | bez śrub |
| Wersja | JC |
| Wysokość [mm] | 45,2 |
| Ø rozmieszczenia otworów [mm] | 100 |
| Średnica otworu centrującego [mm] | 59 |
| Liczba otworów | 4 |
| Jednostka ilości | Zestaw |
| Powierzchnia | pokryty |
| Oznaczenie kontrolne | R90 Homologated |
| Ciężar [kg] | 7,59 |
| Minimalna grubość [mm] | 10 |
| Moment dokręcenia [Nm] | 110 |
| Rodzaj połączenia | Pudełko |
| Długość opakowania [cm] | 24,5 |
| Szerokość opakowania [cm] | 24,5 |
| Wysokość opakowania [cm] | 11,5 |
| Kod towaru | SAM N2661P |
| Producent | SAMKO |
| Opis | tarcza hamulcowa |
| Wysokość [mm] | 45 |
| Typ tarczy hamulcowej | pełny |
| Grubość tarczy hamulcowej [mm] | 12 |
| Minimalna grubość [mm] | 10 |
| Średnica zewnętrzna [mm] | 234 |
| Liczba otworów | 4 |
| Średnica otworu centrującego [mm] | 59 |
0| Kod towaru | TXT 92063300 |
| Producent | TEXTAR |
| Opis | tarcza hamulcowa |
| Typ tarczy hamulcowej | pełny |
| Średnica zewnętrzna [mm] | 234 |
| Grubość tarczy hamulcowej [mm] | 12 |
| Wysokość [mm] | 45,3 |
| Minimalna grubość [mm] | 10 |
| Średnica wewnętrzna [mm] | 129,6 |
| Ø rozmieszczenia otworów [mm] | 100 |
| Średnica otworu centrującego [mm] | 59 |
| Wzór otworów/liczba otworów | 04/04 |
| Średnica otworu szpilki koła [mm] | 12,7 |
| Informacja uzupełniająca | bez piasty koła |
| Informacja uzupełniająca | bez łożyska koła |
| Informacja uzupełniająca | bez sworznia mocującego koła |
| Długość opakowania [cm] | 26,3 |
| Szerokość opakowania [cm] | 26,3 |
| Wysokość opakowania [cm] | 13,5 |
| Ciężar [kg] | 3,5 |
0
000
000| Kod towaru | LUC DF2611 |
| Producent | TRW |
| Opis | tarcza hamulcowa |
| Powierzchnia | lakierowany |
| Typ tarczy hamulcowej | pełny |
| Średnica zewnętrzna [mm] | 234 |
| Grubość tarczy hamulcowej [mm] | 12 |
| Minimalna grubość [mm] | 10 |
| Średnica otworu centrującego [mm] | 59 |
| Wysokość [mm] | 45,2 |
| Liczba otworów | 4 |
| Wymiar gwintu | 12,6 |
| Ø rozmieszczenia otworów [mm] | 100 |
| Kolor | czarny |
0
0
0| Kod towaru | ABS 16211 |
| Producent | A.B.S. |
| Opis | tarcza hamulcowa |
| Średnica zewnętrzna [mm] | 234 |
| Grubość tarczy hamulcowej [mm] | 12 |
| Minimalna grubość [mm] | 10 |
| Wysokość [mm] | 45 |
| Felga, liczba otworów | 4 |
| Typ tarczy hamulcowej | pełny |
| Średnica otworu centrującego [mm] | 59 |
| Ø rozmieszczenia otworów [mm] | 100 |
| Powierzchnia | pokryty |
| Średnica piasty [mm] | 140 |
00| Kod towaru | ASH 60-01-198 |
| Producent | ASHIKA |
| Opis | tarcza hamulcowa |
0| Oś przednia | |
| Kod towaru | ASH 60-01-198C |
| Producent | ASHIKA |
| Opis | tarcza hamulcowa |
| Strona zabudowy | Oś przednia |
| Ø rozmieszczenia otworów [mm] | 59 |
| Wysokość [mm] | 45,8 |
| Średnica zewnętrzna [mm] | 233,6 |
| Grubość tarczy hamulcowej [mm] | 12 |
| Minimalna grubość [mm] | 10 |
| Liczba otworów | 4 |
| Typ tarczy hamulcowej | pełny |
| Oznaczenie kontrolne | ECE R90 APPROVED |
| Powierzchnia | lakierowany |
| Moment dokręcenia [Nm] | 110 |
| dla numeru OE | 402065F003 |
0
0
00| Oś przednia | |
| Kod towaru | BLP ADN14362 |
| Producent | BLUE PRINT |
| Opis | tarcza hamulcowa |
| Grubość tarczy hamulcowej [mm] | 12 |
| Felga, liczba otworów | 4 |
| Grubość [mm] | 45 |
| Średnica zewnętrzna [mm] | 234 |
| Ø rozmieszczenia otworów [mm] | 100 |
| Powierzchnia | pokryty |
| Typ tarczy hamulcowej | pełny |
| Strona zabudowy | Oś przednia |
| Minimalna grubość [mm] | 10 |
| Średnica otworu centrującego [mm] | 59 |
| Przestrzegać informacji serwisowych | |
0
0
00| Kod towaru | BOS 0986478288 |
| Producent | BOSCH |
| Opis | tarcza hamulcowa |
| Średnica zewnętrzna [mm] | 233,8 |
| Grubość tarczy hamulcowej [mm] | 12 |
| Minimalna grubość [mm] | 10 |
| Wysokość [mm] | 45,2 |
| Ø rozmieszczenia otworów [mm] | 100 |
| Typ tarczy hamulcowej | pełny |
| Średnica otworu centrującego [mm] | 59 |
| Liczba otworów | 4 |
| Powierzchnia | naoliwione |
| spełnia wymagania Normy ECE | ECE-R90 |
| Średnica otworu do [mm] | 12,8 |
0
0| Kod towaru | DAC 602230 |
| Producent | DACO GERMANY |
| Opis | tarcza hamulcowa |
| Wysokość [mm] | 45,2 |
| Typ tarczy hamulcowej | pełny |
| Grubość tarczy hamulcowej [mm] | 12 |
| Wymiar gwintu | 12,6 |
| Minimalna grubość [mm] | 10 |
| Średnica zewnętrzna [mm] | 234 |
| Liczba otworów | 4 |
| Średnica otworu centrującego [mm] | 59 |
| Powierzchnia | lakierowany |
| Ø rozmieszczenia otworów [mm] | 100 |
0| Kod towaru | DEC B130107 |
| Producent | DENCKERMANN |
| Opis | tarcza hamulcowa |
| Minimalna grubość [mm] | 10 |
| Typ tarczy hamulcowej | pełny |
| Średnica otworu [mm] | 12,5 |
| Grubość tarczy hamulcowej [mm] | 12 |
| Ø rozmieszczenia otworów [mm] | 100 |
| Liczba otworów | 4 |
| Średnica wewnętrzna [mm] | 129,5 |
| Wysokość [mm] | 45,2 |
| Średnica otworu centrującego [mm] | 59 |
| Średnica zewnętrzna [mm] | 234 |
| Rozporządzenie UE w sprawie bezpieczeństwa produktów (GPSR) | IEC 60417-6183 wymagana specjalistyczna wiedza mechaniczna |
0| Oś przednia | |
| Kod towaru | DP1010.11.0080 |
| Producent | DR!VE+ |
| Opis | tarcza hamulcowa |
| Felga, liczba otworów | 4 |
| Strona zabudowy | Oś przednia |
| Długość [mm] | 233,8 |
| Wysokość [mm] | 45,3 |
| Typ tarczy hamulcowej | pełny |
| Grubość tarczy hamulcowej [mm] | 12 |
| Minimalna grubość [mm] | 10 |
| Średnica zewnętrzna [mm] | 234 |
| Średnica otworu centrującego [mm] | 59,1 |
| Powierzchnia | naoliwione |
0
0
00| Oś przednia | |
| Kod towaru | FEB 10630 |
| Producent | FEBI BILSTEIN |
| Opis | tarcza hamulcowa |
| Grubość tarczy hamulcowej [mm] | 12 |
| Felga, liczba otworów | 4 |
| Grubość [mm] | 45 |
| Średnica zewnętrzna [mm] | 234 |
| Ø rozmieszczenia otworów [mm] | 100 |
| Powierzchnia | pokryty |
| Typ tarczy hamulcowej | pełny |
| Strona zabudowy | Oś przednia |
| Minimalna grubość [mm] | 10 |
| Średnica otworu centrującego [mm] | 59 |
| Przestrzegać informacji serwisowych | |
| Kod towaru | HEL 8DD355103341 |
| Producent | HELLA PAGID |
| Opis | tarcza hamulcowa |
| Typ tarczy hamulcowej | pełny |
| Średnica zewnętrzna [mm] | 234 |
| Grubość tarczy hamulcowej [mm] | 12 |
| Wysokość [mm] | 45,3 |
| Minimalna grubość [mm] | 10 |
| Średnica wewnętrzna [mm] | 129,6 |
| Ø rozmieszczenia otworów [mm] | 100 |
| Średnica otworu centrującego [mm] | 59 |
| Wzór otworów/liczba otworów | 04/04 |
| Średnica otworu szpilki koła [mm] | 12,7 |
| Informacja uzupełniająca | bez piasty koła |
| Informacja uzupełniająca | bez łożyska koła |
| Informacja uzupełniająca | bez sworznia mocującego koła |
| Ciężar [kg] | 3,5 |
| Techniczny numer informacyjny | 52315 |
0
0| Kod towaru | JPN 30H1038-JPN |
| Producent | JPN |
| Opis | tarcza hamulcowa |
| Typ tarczy hamulcowej | pełny |
| Wysokość [mm] | 45,2 |
| Grubość tarczy hamulcowej [mm] | 12 |
| Wymiar gwintu | 12,6 |
| Średnica zewnętrzna [mm] | 234 |
| Liczba otworów | 4 |
| Średnica otworu centrującego [mm] | 59 |
| Ø rozmieszczenia otworów [mm] | 100 |
0| Kod towaru | JUR 561663JC |
| Producent | JURID |
| Opis | tarcza hamulcowa |
| Typ tarczy hamulcowej | pełny |
| Średnica zewnętrzna [mm] | 234 |
| Grubość tarczy hamulcowej [mm] | 12 |
| wymagana liczba | 1 |
| Informacja uzupełniająca | bez śrub |
| Wersja | JC |
| Wysokość [mm] | 45,2 |
| Ø rozmieszczenia otworów [mm] | 100 |
| Średnica otworu centrującego [mm] | 59 |
| Liczba otworów | 4 |
| Jednostka ilości | Zestaw |
| Powierzchnia | pokryty |
| Oznaczenie kontrolne | R90 Homologated |
| Ciężar [kg] | 7,59 |
| Minimalna grubość [mm] | 10 |
| Moment dokręcenia [Nm] | 110 |
| Rodzaj połączenia | Pudełko |
| Długość opakowania [cm] | 24,5 |
| Szerokość opakowania [cm] | 24,5 |
| Wysokość opakowania [cm] | 11,5 |
| Kod towaru | SAM N2661P |
| Producent | SAMKO |
| Opis | tarcza hamulcowa |
| Wysokość [mm] | 45 |
| Typ tarczy hamulcowej | pełny |
| Grubość tarczy hamulcowej [mm] | 12 |
| Minimalna grubość [mm] | 10 |
| Średnica zewnętrzna [mm] | 234 |
| Liczba otworów | 4 |
| Średnica otworu centrującego [mm] | 59 |
0| Kod towaru | TXT 92063300 |
| Producent | TEXTAR |
| Opis | tarcza hamulcowa |
| Typ tarczy hamulcowej | pełny |
| Średnica zewnętrzna [mm] | 234 |
| Grubość tarczy hamulcowej [mm] | 12 |
| Wysokość [mm] | 45,3 |
| Minimalna grubość [mm] | 10 |
| Średnica wewnętrzna [mm] | 129,6 |
| Ø rozmieszczenia otworów [mm] | 100 |
| Średnica otworu centrującego [mm] | 59 |
| Wzór otworów/liczba otworów | 04/04 |
| Średnica otworu szpilki koła [mm] | 12,7 |
| Informacja uzupełniająca | bez piasty koła |
| Informacja uzupełniająca | bez łożyska koła |
| Informacja uzupełniająca | bez sworznia mocującego koła |
| Długość opakowania [cm] | 26,3 |
| Szerokość opakowania [cm] | 26,3 |
| Wysokość opakowania [cm] | 13,5 |
| Ciężar [kg] | 3,5 |
0
000
000| Kod towaru | LUC DF2611 |
| Producent | TRW |
| Opis | tarcza hamulcowa |
| Powierzchnia | lakierowany |
| Typ tarczy hamulcowej | pełny |
| Średnica zewnętrzna [mm] | 234 |
| Grubość tarczy hamulcowej [mm] | 12 |
| Minimalna grubość [mm] | 10 |
| Średnica otworu centrującego [mm] | 59 |
| Wysokość [mm] | 45,2 |
| Liczba otworów | 4 |
| Wymiar gwintu | 12,6 |
| Ø rozmieszczenia otworów [mm] | 100 |
| Kolor | czarny |
