00| Kod towaru | ASH 60-05-550 |
| Producent | ASHIKA |
| Opis | tarcza hamulcowa |
0| Oś przednia | |
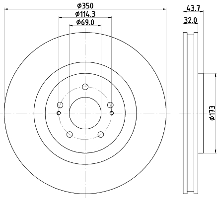
| Kod towaru | ASH 60-05-550C |
| Producent | ASHIKA |
| Opis | tarcza hamulcowa |
| Strona zabudowy | Oś przednia |
| Ø rozmieszczenia otworów [mm] | 69 |
| Wysokość [mm] | 43,7 |
| Średnica zewnętrzna [mm] | 350 |
| Grubość tarczy hamulcowej [mm] | 32 |
| Minimalna grubość [mm] | 30 |
| Liczba otworów | 5 |
| Typ tarczy hamulcowej | wentylowany |
| Powierzchnia | lakierowany |
| dla numeru OE | 4615A024 |
0
0
00| Oś tylna | |
| Kod towaru | BLP ADC443118 |
| Producent | BLUE PRINT |
| Opis | tarcza hamulcowa |
| Grubość tarczy hamulcowej [mm] | 22 |
| Felga, liczba otworów | 5 |
| Liczba otworów do mocowania | 3 |
| Grubość [mm] | 58 |
| Średnica zewnętrzna [mm] | 330 |
| Ø rozmieszczenia otworów [mm] | 114 |
| Powierzchnia | pokryty |
| Typ tarczy hamulcowej | z wentylacją wewnętrzną |
| Strona zabudowy | Oś tylna |
| Minimalna grubość [mm] | 20 |
| Średnica otworu centrującego [mm] | 80 |
| uwzględnić informację serwisową | |
0
0
0| Kod towaru | BRE 09.A193.13 |
| Producent | BREMBO |
| Opis | tarcza hamulcowa |
| Typ tarczy hamulcowej | z wentylacją wewnętrzną |
| Typ tarczy hamulcowej | 2-częściowa tarcza hamulcowa |
| Typ tarczy hamulcowej | Aluminiowy kielich tarczy hamulcowej |
| Grubość tarczy hamulcowej [mm] | 32 |
| Liczba otworów | 5 |
| Wysokość [mm] | 44 |
| Średnica otworu centrującego [mm] | 69 |
| Średnica zewnętrzna [mm] | 350 |
| Przetwarzanie | wysoko nawęglany |
| Powierzchnia | pokryty |
| Minimalna grubość [mm] | 30 |
0
0
0| Kod towaru | BRE 09.A196.11 |
| Producent | BREMBO |
| Opis | tarcza hamulcowa |
| Typ tarczy hamulcowej | z wentylacją wewnętrzną |
| Grubość tarczy hamulcowej [mm] | 32 |
| Liczba otworów | 5 |
| Wysokość [mm] | 44 |
| Średnica otworu centrującego [mm] | 69 |
| Średnica zewnętrzna [mm] | 350 |
| Przetwarzanie | wysoko nawęglany |
| Powierzchnia | pokryty |
| Minimalna grubość [mm] | 30 |
0
00
00| Kod towaru | DEL BG9072C |
| Producent | DELPHI |
| Opis | tarcza hamulcowa |
| Typ tarczy hamulcowej | wentylowany |
| Liczba otworów | 5 |
| Oznaczenie kontrolne | E1 90R-02C0343/1829 |
| Powierzchnia | pokryty |
| Przetwarzanie | wysoko nawęglany |
| Średnica zewnętrzna [mm] | 350 |
| Grubość tarczy hamulcowej [mm] | 32 |
| Minimalna grubość [mm] | 30 |
| Średnica otworu centrującego [mm] | 69 |
| Wysokość [mm] | 43,7 |
| Kod towaru | HEL 8DD355122321 |
| Producent | HELLA PAGID |
| Opis | tarcza hamulcowa |
| Typ tarczy hamulcowej | z wentylacją wewnętrzną |
| Średnica zewnętrzna [mm] | 350 |
| Grubość tarczy hamulcowej [mm] | 32 |
| Wysokość [mm] | 43,7 |
| Minimalna grubość [mm] | 30 |
| Powierzchnia | pokryty |
| Średnica wewnętrzna [mm] | 160,7 |
| Ø rozmieszczenia otworów [mm] | 114,3 |
| Średnica otworu centrującego [mm] | 69 |
| Wzór otworów/liczba otworów | 05/07 |
| Średnica otworu szpilki koła [mm] | 12,5 |
| Informacja uzupełniająca | bez piasty koła |
| Informacja uzupełniająca | bez łożyska koła |
| Informacja uzupełniająca | bez sworznia mocującego koła |
| Ciężar [kg] | 11 |
| Techniczny numer informacyjny | 55712PRO |
| Kod towaru | SAM M1037V |
| Producent | SAMKO |
| Opis | tarcza hamulcowa |
| Wysokość [mm] | 43,7 |
| Typ tarczy hamulcowej | z wentylacją wewnętrzną |
| Grubość tarczy hamulcowej [mm] | 32 |
| Minimalna grubość [mm] | 30 |
| Średnica zewnętrzna [mm] | 350 |
| Liczba otworów | 5 |
| Średnica otworu centrującego [mm] | 69 |
