00| Kod towaru | ASH 61-00-016 |
| Producent | ASHIKA |
| Opis | tarcza hamulcowa |
0| Oś tylna | |
| Kod towaru | ASH 61-00-016C |
| Producent | ASHIKA |
| Opis | tarcza hamulcowa |
| Strona zabudowy | Oś tylna |
| Ø rozmieszczenia otworów [mm] | 68 |
| Wysokość [mm] | 45 |
| Średnica zewnętrzna [mm] | 257,6 |
| Grubość tarczy hamulcowej [mm] | 9 |
| Minimalna grubość [mm] | 8 |
| Liczba otworów | 4 |
| Typ tarczy hamulcowej | pełny |
| Oznaczenie kontrolne | ECE R90 APPROVED |
| Powierzchnia | lakierowany |
| dla numeru OE | 432069E601 |
0
0
00| Kod towaru | ATE 24.0109-0129.1 |
| Producent | ATE |
| Opis | tarcza hamulcowa |
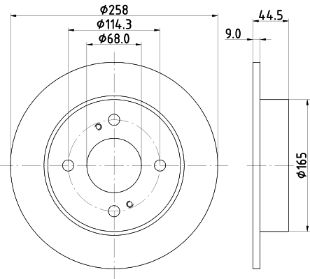
| Średnica zewnętrzna [mm] | 258,0 |
| Grubość tarczy hamulcowej [mm] | 9,0 |
| Minimalna grubość [mm] | 8,0 |
| Typ tarczy hamulcowej | pełny |
| Liczba otworów | 4 |
| Ø rozmieszczenia otworów [mm] | 114,3 |
| Wysokość [mm] | 44,5 |
| Średnica otworu centrującego [mm] | 68,0 |
| Średnica wewnętrzna [mm] | 154,0 |
| Średnica otworu [mm] | 12,8 |
| Dostępne MAPP-Code | |
| Oznaczenie kontrolne | E1 90R-02C0165/0844 |
| Kod towaru | HEL 8DD355105171 |
| Producent | HELLA PAGID |
| Opis | tarcza hamulcowa |
| Typ tarczy hamulcowej | pełny |
| Średnica zewnętrzna [mm] | 258 |
| Grubość tarczy hamulcowej [mm] | 9 |
| Wysokość [mm] | 44,5 |
| Minimalna grubość [mm] | 8 |
| Średnica wewnętrzna [mm] | 154 |
| Ø rozmieszczenia otworów [mm] | 114,3 |
| Średnica otworu centrującego [mm] | 68 |
| Wzór otworów/liczba otworów | 04/06 |
| Średnica otworu szpilki koła [mm] | 12,8 |
| Informacja uzupełniająca | bez piasty koła |
| Informacja uzupełniająca | bez łożyska koła |
| Informacja uzupełniająca | bez sworznia mocującego koła |
| Ciężar [kg] | 3,4 |
| Techniczny numer informacyjny | 52313 |
0
00
000| Kod towaru | LUC DF4548 |
| Producent | TRW |
| Opis | tarcza hamulcowa |
| Średnica otworu centrującego [mm] | 68 |
| Ø rozmieszczenia otworów [mm] | 114,3 |
| Grubość tarczy hamulcowej [mm] | 9 |
| Średnica zewnętrzna [mm] | 258 |
| Liczba otworów | 4 |
| Typ tarczy hamulcowej | pełny |
| Wymiar gwintu | 12,7 |
| Minimalna grubość [mm] | 8 |
| Wysokość [mm] | 44,7 |
