ABS 17329Tarcza hamulcowa RENAULT TRAFIC 01- (!)
1 x TARCZA HAMULCOWA zgodnie z wymogami dotyczącymi bezpieczeństwa producent zaleca zakup i wymianę parami (2szt) (305X28MM) OPEL VIVARO 01-
Łódź0
Pabianice0
Milionowa0
Do 10.10-na dziś 14.00
M3 do 18.20 jutro
M17 do 18.50 2dni
| Średnica zewnętrzna [mm] | 305 |
| Grubość tarczy hamulcowej [mm] | 28 |
| Minimalna grubość [mm] | 24 |
| Wysokość [mm] | 50 |
| Felga, liczba otworów | 5 |
| Typ tarczy hamulcowej | wentylowany |
| Średnica otworu centrującego [mm] | 72 |
| Ø rozmieszczenia otworów [mm] | 118 |
| Powierzchnia | pokryty |
| Średnica piasty [mm] | 165 |
ASH 60-01-166CTARCZA HAM./ASHIKA/
Łódź0
Pabianice0
Milionowa0
M2 do 17.50 2dni
| Strona zabudowy | Oś przednia |
| Ø rozmieszczenia otworów [mm] | 68 |
| Wysokość [mm] | 53 |
| Średnica zewnętrzna [mm] | 295 |
| Grubość tarczy hamulcowej [mm] | 28 |
| Minimalna grubość [mm] | 26 |
| Liczba otworów | 6 |
| Typ tarczy hamulcowej | wentylowany |
| Powierzchnia | lakierowany |
| dla numeru OE | 402064KJ1B |
ATE 24.0128-0302.1TARCZA HAMULC. NISSAN NP300 NAVARA 15- (!)
1 x TARCZA HAMULCOWA zgodnie z wymogami dotyczącymi bezpieczeństwa producent zaleca zakup i wymianę parami (2szt) (296x28mm)
Łódź0
Pabianice0
Milionowa0
Do 10.10-na dziś 14.00
M3 do 18.20 jutro
M2 do 17.50 2dni
M11 do 16.00 jutro
M17 do 18.50 2dni
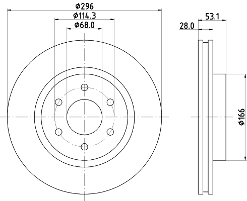
| Średnica zewnętrzna [mm] | 296,0 |
| Grubość tarczy hamulcowej [mm] | 28,0 |
| Minimalna grubość [mm] | 26,0 |
| Typ tarczy hamulcowej | wentylowany |
| Przetwarzanie | stopowy / wysoko nawęglany |
| Powierzchnia | pokryty |
| Liczba otworów | 6 |
| Średnica wewnętrzna [mm] | 154,5 |
| Dostępne MAPP-Code | |
| Ø rozmieszczenia otworów [mm] | 114,3 |
| Wysokość [mm] | 53,8 |
| Średnica otworu centrującego [mm] | 68,0 |
| Średnica otworu [mm] | 12,8 |
| Oznaczenie kontrolne | E1 90R-02C0115/1008 |
BLP ADN143172TARCZA HAMULCOWA NISSAN (!)
1 x TARCZA HAMULCOWA zgodnie z wymogami dotyczącymi bezpieczeństwa producent zaleca zakup i wymianę parami (2szt)
Łódź0
Pabianice0
Milionowa0
Do 10.10-na dziś 14.00
M3 do 18.20 jutro
M2 do 17.50 2dni
M17 do 18.50 2dni
| Grubość tarczy hamulcowej [mm] | 28 |
| Felga, liczba otworów | 6 |
| Grubość [mm] | 53 |
| Średnica zewnętrzna [mm] | 296 |
| Ø rozmieszczenia otworów [mm] | 114 |
| Powierzchnia | pokryty |
| Typ tarczy hamulcowej | z wentylacją wewnętrzną |
| Strona zabudowy | Oś przednia |
| Minimalna grubość [mm] | 26 |
| Średnica otworu centrującego [mm] | 68 |
| dla numeru OE | 40206-JR70C |
| uwzględnić informację serwisową |
BOS 0986479B69TARCZA HAMULC. RENAULT TRAFIC 01- (!)
1 x TARCZA HAMULCOWA zgodnie z wymogami dotyczącymi bezpieczeństwa producent zaleca zakup i wymianę parami (2szt)
Łódź0
Pabianice0
Milionowa0
Do 10.10-na dziś 14.00
M3 do 18.20 jutro
M2 do 17.50 2dni
M11 do 16.00 jutro
M1 do 17.50 jutro
M17 do 18.50 2dni
| Średnica zewnętrzna [mm] | 305,3 |
| Grubość tarczy hamulcowej [mm] | 28 |
| Minimalna grubość [mm] | 24 |
| Wysokość [mm] | 49,8 |
| Ø rozmieszczenia otworów [mm] | 118 |
| Typ tarczy hamulcowej | wentylowany |
| Średnica otworu centrującego [mm] | 72 |
| Liczba otworów | 5 |
| Powierzchnia | pokryty |
| Przetwarzanie | wysoko nawęglany |
| spełnia wymagania Normy ECE | ECE-R90 |
| Średnica otworu do [mm] | 15,6 |
FEB 170041TARCZA HAMULC. NISSAN NP300 NAVARA 05- (!)
1 x TARCZA HAMULCOWA zgodnie z wymogami dotyczącymi bezpieczeństwa producent zaleca zakup i wymianę parami (2szt)
Łódź0
Pabianice0
Milionowa0
Do 10.10-na dziś 14.00
M3 do 18.20 jutro
M2 do 17.50 2dni
M17 do 18.50 2dni
| Grubość tarczy hamulcowej [mm] | 28 |
| Felga, liczba otworów | 6 |
| Grubość [mm] | 53,1 |
| Średnica zewnętrzna [mm] | 296 |
| Ø rozmieszczenia otworów [mm] | 114,3 |
| Powierzchnia | pokryty |
| Typ tarczy hamulcowej | z wentylacją wewnętrzną |
| Strona zabudowy | Oś przednia |
| Minimalna grubość [mm] | 26 |
| Średnica otworu centrującego [mm] | 68 |
| dla numeru OE | 40206-JR70C |
| uwzględnić informację serwisową |
HEL 8DD355126841tarcza ham. malow. prz. NI RE
Łódź0
Pabianice0
Milionowa0
M1 do 17.50 jutro
| Typ tarczy hamulcowej | z wentylacją wewnętrzną |
| Średnica zewnętrzna [mm] | 296 |
| Grubość tarczy hamulcowej [mm] | 28 |
| Wysokość [mm] | 53,1 |
| Minimalna grubość [mm] | 26 |
| Powierzchnia | pokryty |
| Średnica wewnętrzna [mm] | 154,4 |
| Ø rozmieszczenia otworów [mm] | 114,3 |
| Średnica otworu centrującego [mm] | 68 |
| Wzór otworów/liczba otworów | 06/06 |
| Średnica otworu szpilki koła [mm] | 12,8 |
| Informacja uzupełniająca | bez piasty koła |
| Informacja uzupełniająca | bez łożyska koła |
| Informacja uzupełniająca | bez sworznia mocującego koła |
| Ciężar [kg] | 8,4 |
| Techniczny numer informacyjny | 55858PRO |
JUR 563290JCTarcze hamulcowe
1 x TARCZA HAMULCOWA zgodnie z wymogami dotyczącymi bezpieczeństwa producent zaleca zakup i wymianę parami (2szt)
Łódź0
Pabianice0
Milionowa0
M2 do 17.50 2dni
| Typ tarczy hamulcowej | wentylowany |
| Średnica zewnętrzna [mm] | 296 |
| Grubość tarczy hamulcowej [mm] | 28 |
| Informacja uzupełniająca | bez śrub |
| Wersja | JC |
| Wysokość [mm] | 53 |
| Liczba otworów | 6 |
| Powierzchnia | pokryty |
| Ciężar [kg] | 8,54 |
| Średnica otworu [mm] | 68 |
| Minimalna grubość [mm] | 26 |
| Rodzaj połączenia | Pudełko |
TXT 92285803TARCZA HAMULCOWA PRZOD
Łódź0
Pabianice0
Milionowa0
M11 do 16.00 jutro
M17 do 18.50 2dni
| Typ tarczy hamulcowej | z wentylacją wewnętrzną |
| Średnica zewnętrzna [mm] | 296 |
| Grubość tarczy hamulcowej [mm] | 28 |
| Wysokość [mm] | 53,1 |
| Minimalna grubość [mm] | 26 |
| Powierzchnia | pokryty |
| Średnica wewnętrzna [mm] | 154,4 |
| Ø rozmieszczenia otworów [mm] | 114,3 |
| Średnica otworu centrującego [mm] | 68 |
| Wzór otworów/liczba otworów | 06/06 |
| Średnica otworu szpilki koła [mm] | 12,8 |
| Informacja uzupełniająca | bez piasty koła |
| Informacja uzupełniająca | bez łożyska koła |
| Informacja uzupełniająca | bez sworznia mocującego koła |
| Długość opakowania [cm] | 30,8 |
| Szerokość opakowania [cm] | 30,8 |
| Wysokość opakowania [cm] | 12,7 |
| Ciężar [kg] | 8,4 |
LUC DF7458STARCZA HAMULC. NISSAN NP300 NAVARA 15- (!)
1 x TARCZA HAMULCOWA zgodnie z wymogami dotyczącymi bezpieczeństwa producent zaleca zakup i wymianę parami (2szt) (296x28mm)
Łódź0
Pabianice0
Milionowa0
Do 10.10-na dziś 14.00
M3 do 18.20 jutro
M2 do 17.50 2dni
M11 do 16.00 jutro
M9 do 15.00 jutro
M17 do 18.50 2dni
| Typ tarczy hamulcowej | wentylowany |
| Średnica zewnętrzna [mm] | 296 |
| Grubość tarczy hamulcowej [mm] | 28 |
| Liczba otworów | 6 |
| Wysokość [mm] | 53,8 |
| Średnica otworu centrującego [mm] | 68 |
ZIM 200.2537.20TARCZA HAMULC. NISSAN NP300 NAVARA 15- (!)
1 x TARCZA HAMULCOWA zgodnie z wymogami dotyczącymi bezpieczeństwa producent zaleca zakup i wymianę parami (2szt)
Łódź0
Pabianice0
Milionowa0
Do 10.10-na dziś 14.00
M3 do 18.20 jutro
M2 do 17.50 2dni
M17 do 18.50 2dni
| Strona zabudowy | Oś przednia |
| Typ tarczy hamulcowej | z wentylacją wewnętrzną |
| Powierzchnia | pokryty |
| Średnica zewnętrzna [mm] | 296 |
| Grubość tarczy hamulcowej [mm] | 28 |
| Wysokość [mm] | 54 |
| Felga, liczba otworów | 6 |
| Ø rozmieszczenia otworów [mm] | 114 |
| Średnica otworu centrującego [mm] | 68 |
| Oznaczenie kontrolne | ECE R90 APPROVED |
| Minimalna grubość [mm] | 26 |
| Wzór otworów/liczba otworów | 6/6 |
| Ciężar [kg] | 8,7 |