DAC 600348Tarcza hamulcowa
1 x TARCZA HAMULCOWA zgodnie z wymogami dotyczącymi bezpieczeństwa producent zaleca zakup i wymianę parami (2szt) BMW 5 E60 03- Tył
Łódź0
Pabianice0
Milionowa0
Do 10.10-na dziś 14.00
M3 do 18.20 jutro
M1 do 17.50 jutro
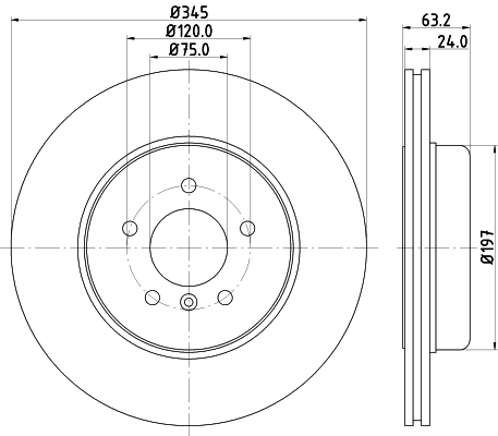
| Wysokość [mm] | 63,2 |
| Typ tarczy hamulcowej | 2-częściowa tarcza hamulcowa |
| Typ tarczy hamulcowej | wentylowany |
| Grubość tarczy hamulcowej [mm] | 24 |
| Minimalna grubość [mm] | 22,4 |
| Średnica zewnętrzna [mm] | 345 |
| Liczba otworów | 5 |
| Średnica otworu centrującego [mm] | 75 |
ABS 18001TARCZA HAMULC. BMW 5 E60 03- TYŁ (!)
1 x TARCZA HAMULCOWA zgodnie z wymogami dotyczącymi bezpieczeństwa producent zaleca zakup i wymianę parami (2szt)
Łódź0
Pabianice0
Milionowa0
Do 10.10-na dziś 14.00
M3 do 18.20 jutro
M17 do 18.50 2dni
| Średnica zewnętrzna [mm] | 345 |
| Grubość tarczy hamulcowej [mm] | 24 |
| Minimalna grubość [mm] | 22 |
| Wysokość [mm] | 63,1 |
| Felga, liczba otworów | 5 |
| Typ tarczy hamulcowej | wentylowany |
| Średnica otworu centrującego [mm] | 75 |
| Ø rozmieszczenia otworów [mm] | 120 |
| Powierzchnia | pokryty |
| Średnica piasty [mm] | 197 |
AIC 52697TARCZA HAM.
Łódź0
Pabianice0
Milionowa0
| Strona zabudowy | Oś tylna strona lewa |
| Strona zabudowy | Oś tylna strona prawa |
| Typ tarczy hamulcowej | z wentylacją wewnętrzną |
| Średnica zewnętrzna [mm] | 345 |
| Grubość tarczy hamulcowej [mm] | 24 |
| Liczba otworów | 5 |
| Ø rozmieszczenia otworów [mm] | 120 |
| Średnica otworu centrującego [mm] | 79 |
| Zamiana tylko w parach | |
| Gwarancja | 5 lat gwarancji lub do 75 000 km |
ATE 24.0124-0274.2TARCZA HAMULC. BMW 5 E60 03-10 TYŁ
Łódź0
Pabianice0
Milionowa0
M2 do 17.50 2dni
M17 do 18.50 2dni
| Średnica zewnętrzna [mm] | 345,0 |
| Grubość tarczy hamulcowej [mm] | 24,0 |
| Minimalna grubość [mm] | 22,4 |
| Typ tarczy hamulcowej | 2-częściowa tarcza hamulcowa |
| Typ tarczy hamulcowej | wentylowany |
| Przetwarzanie | wysoko nawęglany |
| Powierzchnia | pokryty |
| Liczba otworów | 5 |
| Ø rozmieszczenia otworów [mm] | 120,0 |
| Wysokość [mm] | 63,2 |
| Średnica otworu centrującego [mm] | 75,0 |
| Średnica otworu [mm] | 14,5 |
| Średnica wewnętrzna [mm] | 185,0 |
| Informacja uzupełniająca | ze śrubami |
| Oznaczenie kontrolne | E1 90R-02C0504/2520 |
| Dostępne MAPP-Code |
BLP ADB114369TARCZA HAMULC. BMW 5 E60 03-10 TYŁ (!)
1 x TARCZA HAMULCOWA zgodnie z wymogami dotyczącymi bezpieczeństwa producent zaleca zakup i wymianę parami (2szt) 5 (E60 LCI), 5 (E60), 6 (E63 LCI), 6 (E63), 6 (E64 LCI), 6 (E64)
Łódź0
Pabianice0
Milionowa0
Do 10.10-na dziś 14.00
M3 do 18.20 jutro
M2 do 17.50 2dni
M17 do 18.50 2dni
| Grubość tarczy hamulcowej [mm] | 24 |
| Felga, liczba otworów | 5 |
| Liczba otworów do mocowania | 1 |
| Grubość [mm] | 63 |
| Średnica zewnętrzna [mm] | 345 |
| Ø rozmieszczenia otworów [mm] | 120 |
| Przetwarzanie | wysoko nawęglany |
| Powierzchnia | pokryty |
| Typ tarczy hamulcowej | z wentylacją wewnętrzną |
| Strona zabudowy | Oś tylna |
| Minimalna grubość [mm] | 22,4 |
| Średnica otworu centrującego [mm] | 75 |
| uwzględnić informację serwisową |
BOS 0986479729TARCZA HAMULC. (!)
1 x TARCZA HAMULCOWA zgodnie z wymogami dotyczącymi bezpieczeństwa producent zaleca zakup i wymianę parami (2szt)
Łódź0
Pabianice0
Milionowa0
Do 10.10-na dziś 14.00
M3 do 18.20 jutro
M2 do 17.50 2dni
M1 do 17.50 jutro
M17 do 18.50 2dni
| Średnica zewnętrzna [mm] | 345 |
| Grubość tarczy hamulcowej [mm] | 24 |
| Minimalna grubość [mm] | 22,4 |
| Wysokość [mm] | 63,1 |
| Ø rozmieszczenia otworów [mm] | 120 |
| Typ tarczy hamulcowej | wentylowany |
| Średnica otworu centrującego [mm] | 75 |
| Liczba otworów | 5 |
| Powierzchnia | pokryty |
| Przetwarzanie | wysoko nawęglany |
| Informacja uzupełniająca | ze śrubami |
| spełnia wymagania Normy ECE | ECE-R90 |
| Średnica otworu do [mm] | 14,8 |
BOS 0986479E13TARCZA HAMULC. BMW 5 E60 03- TYŁ (!)
Łódź0
Pabianice0
Milionowa0
Do 10.10-na dziś 14.00
M3 do 18.20 jutro
M2 do 17.50 2dni
M1 do 17.50 jutro
M17 do 18.50 2dni
| Średnica zewnętrzna [mm] | 345 |
| Grubość tarczy hamulcowej [mm] | 24 |
| Minimalna grubość [mm] | 22,4 |
| Wysokość [mm] | 63,2 |
| Ø rozmieszczenia otworów [mm] | 120 |
| Typ tarczy hamulcowej | 2-częściowa tarcza hamulcowa |
| Typ tarczy hamulcowej | wentylowany |
| Średnica otworu centrującego [mm] | 75 |
| Liczba otworów | 5 |
| Powierzchnia | pokryty |
| Przetwarzanie | wysoko nawęglany |
| Informacja uzupełniająca | ze śrubami |
| spełnia wymagania Normy ECE | ECE-R90 |
| Średnica otworu do [mm] | 14,5 |
| uwzględnić informację serwisową |
BRE 09.C418.13TARCZA HAMULC. BMW 5 E60 03-10 TYŁ (!)
1 x TARCZA HAMULCOWA zgodnie z wymogami dotyczącymi bezpieczeństwa producent zaleca zakup i wymianę parami (2szt)
Łódź0
Pabianice0
Milionowa0
Do 10.10-na dziś 14.00
M3 do 18.20 jutro
M1 do 17.50 jutro
M17 do 18.50 2dni
| Typ tarczy hamulcowej | z wentylacją wewnętrzną |
| Typ tarczy hamulcowej | 2-częściowa tarcza hamulcowa |
| Typ tarczy hamulcowej | Aluminiowy kielich tarczy hamulcowej |
| Grubość tarczy hamulcowej [mm] | 24 |
| Liczba otworów | 5 |
| Informacja uzupełniająca | ze śrubami |
| Wysokość [mm] | 63 |
| Średnica otworu centrującego [mm] | 75 |
| Średnica zewnętrzna [mm] | 345 |
| Przetwarzanie | wysoko nawęglany |
| Powierzchnia | pokryty |
| Minimalna grubość [mm] | 22,4 |
FEB 104807TARCZA HAMULC. BMW 5 E60 03- TYŁ (!)
1 x TARCZA HAMULCOWA zgodnie z wymogami dotyczącymi bezpieczeństwa producent zaleca zakup i wymianę parami (2szt)
Łódź0
Pabianice0
Milionowa0
Do 10.10-na dziś 14.00
M3 do 18.20 jutro
M2 do 17.50 2dni
M17 do 18.50 2dni
| Grubość tarczy hamulcowej [mm] | 24 |
| Felga, liczba otworów | 5 |
| Liczba otworów do mocowania | 1 |
| Grubość [mm] | 63,1 |
| Średnica zewnętrzna [mm] | 345 |
| Ø rozmieszczenia otworów [mm] | 120 |
| Przetwarzanie | wysoko nawęglany |
| Powierzchnia | pokryty |
| Typ tarczy hamulcowej | z wentylacją wewnętrzną |
| Strona zabudowy | Oś tylna |
| Minimalna grubość [mm] | 22,4 |
| Średnica otworu centrującego [mm] | 75 |
| uwzględnić informację serwisową |
HEL 8DD355119341tarcza ham. malow. tył BMW
Łódź0
Pabianice0
Milionowa0
M1 do 17.50 jutro
| Typ tarczy hamulcowej | wentylowany zewnętrznie |
| Średnica zewnętrzna [mm] | 345 |
| Grubość tarczy hamulcowej [mm] | 24 |
| Wysokość [mm] | 63,2 |
| Minimalna grubość [mm] | 22,4 |
| Powierzchnia | pokryty |
| Średnica wewnętrzna [mm] | 185 |
| Ø rozmieszczenia otworów [mm] | 120 |
| Średnica otworu centrującego [mm] | 75 |
| Wzór otworów/liczba otworów | 05/06 |
| Średnica otworu szpilki koła [mm] | 14,5 |
| Informacja uzupełniająca | bez piasty koła |
| Informacja uzupełniająca | bez łożyska koła |
| Informacja uzupełniająca | bez sworznia mocującego koła |
| Ciężar [kg] | 9,4 |
| Techniczny numer informacyjny | 54825PRO |
HEL 8DD355123231tarcza ham. malow. 2-el. HC tył BMW
Łódź0
Pabianice0
Milionowa0
M1 do 17.50 jutro
| Typ tarczy hamulcowej | 2-częściowa tarcza hamulcowa |
| Typ tarczy hamulcowej | wentylowany zewnętrznie |
| Średnica zewnętrzna [mm] | 345 |
| Grubość tarczy hamulcowej [mm] | 24 |
| Wysokość [mm] | 63,2 |
| Minimalna grubość [mm] | 22,4 |
| Przetwarzanie | wysoko nawęglany |
| Powierzchnia | pokryty |
| Średnica wewnętrzna [mm] | 185 |
| Ø rozmieszczenia otworów [mm] | 120 |
| Średnica otworu centrującego [mm] | 75 |
| Wzór otworów/liczba otworów | 05/06 |
| Średnica otworu szpilki koła [mm] | 14,5 |
| Informacja uzupełniająca | bez piasty koła |
| Informacja uzupełniająca | bez łożyska koła |
| Informacja uzupełniająca | bez sworznia mocującego koła |
| Informacja uzupełniająca | ze śrubami |
| Liczba śrub | 2 |
| Ciężar [kg] | 8,6 |
| Techniczny numer informacyjny | 65157PRO_HC |
JUR 563069JCTarcze hamulcowe
1 x TARCZA HAMULCOWA zgodnie z wymogami dotyczącymi bezpieczeństwa producent zaleca zakup i wymianę parami (2szt)
Łódź0
Pabianice0
Milionowa0
M2 do 17.50 2dni
| Typ tarczy hamulcowej | wentylowany |
| Średnica zewnętrzna [mm] | 345 |
| Grubość tarczy hamulcowej [mm] | 24 |
| Informacja uzupełniająca | ze śrubami |
| Wersja | JC |
| Wysokość [mm] | 63 |
| Średnica otworu centrującego [mm] | 75 |
| Liczba otworów | 5 |
| Jednostka ilości | Zestaw |
| Powierzchnia | pokryty |
| Ciężar [kg] | 9,73 |
| Minimalna grubość [mm] | 22,4 |
| Moment dokręcenia [Nm] | 100 |
| Rodzaj połączenia | Pudełko |
| Długość opakowania [cm] | 35 |
| Szerokość opakowania [cm] | 35 |
| Wysokość opakowania [cm] | 10 |
KAM 103437TARCZA HAMULC. BMW 5 E60 03-10 TYŁ
BMW 5(E60) 01-10, 5(E61) 04-10, 6(E63) 03-10, 6(E64) 04-10
Łódź0
Pabianice0
Milionowa0
Do 10.10-na dziś 14.00
M3 do 18.20 jutro
M17 do 18.50 2dni
| Strona zabudowy | Oś tylna |
| Typ tarczy hamulcowej | 2-częściowa tarcza hamulcowa |
| Typ tarczy hamulcowej | wentylowany |
| Grubość tarczy hamulcowej [mm] | 24 |
| Ø rozmieszczenia otworów [mm] | 120 |
| Liczba otworów | 5 |
| Wysokość [mm] | 63 |
| Przetwarzanie | wysoko nawęglany |
| Średnica otworu centrującego [mm] | 75 |
| Powierzchnia | pokryty |
| Średnica zewnętrzna [mm] | 345 |
TXT 92182525TARCZA HAMULCOWA TYL
Łódź0
Pabianice0
Milionowa0
M17 do 18.50 2dni
| Typ tarczy hamulcowej | wentylowany zewnętrznie |
| Typ tarczy hamulcowej | 2-częściowa tarcza hamulcowa |
| Średnica zewnętrzna [mm] | 345 |
| Grubość tarczy hamulcowej [mm] | 24 |
| Wysokość [mm] | 63,2 |
| Minimalna grubość [mm] | 22,4 |
| Przetwarzanie | wysoko nawęglany |
| Powierzchnia | pokryty |
| Średnica wewnętrzna [mm] | 185 |
| Ø rozmieszczenia otworów [mm] | 120 |
| Średnica otworu centrującego [mm] | 75 |
| Wzór otworów/liczba otworów | 05/06 |
| Średnica otworu szpilki koła [mm] | 14,5 |
| Informacja uzupełniająca | bez piasty koła |
| Informacja uzupełniająca | bez łożyska koła |
| Informacja uzupełniająca | bez sworznia mocującego koła |
| Informacja uzupełniająca | ze śrubami |
| Liczba śrub | 2 |
| Długość opakowania [cm] | 37,8 |
| Szerokość opakowania [cm] | 37,8 |
| Wysokość opakowania [cm] | 15,5 |
| Ciężar [kg] | 8,6 |
LUC DF6624STARCZA HAMULC. BMW 5 E60 03- TYŁ (!)
1 x TARCZA HAMULCOWA zgodnie z wymogami dotyczącymi bezpieczeństwa producent zaleca zakup i wymianę parami (2szt)
Łódź0
Pabianice0
Milionowa0
Do 10.10-na dziś 14.00
M3 do 18.20 jutro
M2 do 17.50 2dni
M11 do 16.00 jutro
M8 do 17.00 2dni
M9 do 15.00 jutro
M17 do 18.50 2dni
| Typ tarczy hamulcowej | wentylowany |
| Liczba otworów | 5 |
| Średnica zewnętrzna [mm] | 345 |
| Średnica otworu centrującego [mm] | 75 |
| Wysokość [mm] | 63,2 |
| Grubość tarczy hamulcowej [mm] | 24 |
| Średnica otworu 2 [mm] | 12,7 |
| Typ tarczy hamulcowej | 2-częściowa tarcza hamulcowa |
ZIM 150.3461.20Tarcza hamulcowa BMW 5 E60 03- tył (!)
1 x TARCZA HAMULCOWA zgodnie z wymogami dotyczącymi bezpieczeństwa producent zaleca zakup i wymianę parami (2szt)
Łódź0
Pabianice0
Milionowa0
Do 10.10-na dziś 14.00
M3 do 18.20 jutro
M2 do 17.50 2dni
M17 do 18.50 2dni
| Strona zabudowy | Oś tylna |
| Typ tarczy hamulcowej | wentylowany zewnętrznie |
| Przetwarzanie | wysoko nawęglany |
| Powierzchnia | pokryty |
| Średnica zewnętrzna [mm] | 345 |
| Grubość tarczy hamulcowej [mm] | 24 |
| Wysokość [mm] | 63 |
| Felga, liczba otworów | 5 |
| Ø rozmieszczenia otworów [mm] | 120 |
| Średnica otworu centrującego [mm] | 75 |
| Oznaczenie kontrolne | KBA 60787 |
| Minimalna grubość [mm] | 22,4 |
| Wzór otworów/liczba otworów | 6/5 |
| Ciężar [kg] | 9,4 |
ZIM 150.3461.32TARCZA HAMULC. BMW 5 E60 03-10 TYŁ (!)
1 x TARCZA HAMULCOWA zgodnie z wymogami dotyczącymi bezpieczeństwa producent zaleca zakup i wymianę parami (2szt)
Łódź0
Pabianice0
Milionowa0
Do 10.10-na dziś 14.00
M3 do 18.20 jutro
M2 do 17.50 2dni
M17 do 18.50 2dni
| Strona zabudowy | Oś tylna |
| Typ tarczy hamulcowej | wentylowany zewnętrznie |
| Typ tarczy hamulcowej | 2-częściowa tarcza hamulcowa |
| Typ tarczy hamulcowej | Aluminiowy kielich tarczy hamulcowej |
| Przetwarzanie | wysoko nawęglany |
| Powierzchnia | pokryty |
| Średnica zewnętrzna [mm] | 345 |
| Grubość tarczy hamulcowej [mm] | 24 |
| Wysokość [mm] | 63 |
| Felga, liczba otworów | 5 |
| Ø rozmieszczenia otworów [mm] | 120 |
| Średnica otworu centrującego [mm] | 75 |
| Oznaczenie kontrolne | ECE R90 APPROVED |
| Minimalna grubość [mm] | 22,4 |
| Wzór otworów/liczba otworów | 6/5 |
| Ciężar [kg] | 8,6 |
ZIM 150.3461.52TARCZA HAMULC. BMW 5 E60 03- TYŁ (!)
1 x TARCZA HAMULCOWA zgodnie z wymogami dotyczącymi bezpieczeństwa producent zaleca zakup i wymianę parami (2szt)
Łódź0
Pabianice0
Milionowa0
Do 10.10-na dziś 14.00
M3 do 18.20 jutro
M2 do 17.50 2dni
M17 do 18.50 2dni
| Strona zabudowy | Oś tylna |
| Typ tarczy hamulcowej | wentylowany zewnętrznie |
| Typ tarczy hamulcowej | perforowany |
| Przetwarzanie | wysoko nawęglany |
| Powierzchnia | pokryty |
| Średnica zewnętrzna [mm] | 345 |
| Grubość tarczy hamulcowej [mm] | 24 |
| Wysokość [mm] | 63 |
| Felga, liczba otworów | 5 |
| Ø rozmieszczenia otworów [mm] | 120 |
| Średnica otworu centrującego [mm] | 75 |
| Oznaczenie kontrolne | ECE R90 APPROVED |
| Minimalna grubość [mm] | 22,4 |
| Wzór otworów/liczba otworów | 6/5 |
| Ciężar [kg] | 9,4 |
ZIM 150.3461.54TARCZA HAMULC. BMW 5 E60 03-10 LT (!)
Łódź0
Pabianice0
Milionowa0
Do 10.10-na dziś 14.00
M3 do 18.20 jutro
M2 do 17.50 2dni
M17 do 18.50 2dni
| Strona zabudowy | Oś tylna strona lewa |
| Typ tarczy hamulcowej | wentylowany zewnętrznie |
| Typ tarczy hamulcowej | szczelinowy |
| Przetwarzanie | wysoko nawęglany |
| Powierzchnia | pokryty |
| Średnica zewnętrzna [mm] | 345 |
| Grubość tarczy hamulcowej [mm] | 24 |
| Wysokość [mm] | 63 |
| Felga, liczba otworów | 5 |
| Ø rozmieszczenia otworów [mm] | 120 |
| Średnica otworu centrującego [mm] | 75 |
| kierunkowa | |
| sparowany numer artykułu | 150.3461.55 |
| Oznaczenie kontrolne | ohne ABE |
| Minimalna grubość [mm] | 22,4 |
| Wzór otworów/liczba otworów | 6/5 |
| Ciężar [kg] | 9,4 |
ZIM 150.3461.55TARCZA HAMULC. BMW 5 E60 03-10 PT (!)
Łódź0
Pabianice0
Milionowa0
Do 10.10-na dziś 14.00
M3 do 18.20 jutro
M2 do 17.50 2dni
M17 do 18.50 2dni
| Strona zabudowy | Oś tylna strona prawa |
| Typ tarczy hamulcowej | wentylowany zewnętrznie |
| Typ tarczy hamulcowej | szczelinowy |
| Przetwarzanie | wysoko nawęglany |
| Powierzchnia | pokryty |
| Średnica zewnętrzna [mm] | 345 |
| Grubość tarczy hamulcowej [mm] | 24 |
| Wysokość [mm] | 63 |
| Felga, liczba otworów | 5 |
| Ø rozmieszczenia otworów [mm] | 120 |
| Średnica otworu centrującego [mm] | 75 |
| kierunkowa | |
| sparowany numer artykułu | 150.3461.54 |
| Oznaczenie kontrolne | ohne ABE |
| Minimalna grubość [mm] | 22,4 |
| Wzór otworów/liczba otworów | 6/5 |
| Ciężar [kg] | 9,4 |