Zamienniki TecDoc2

HEL 8DD355111351tarcza ham. prz. CHE DW HOL

Dostępność

Łódź0

Pabianice0

Milionowa0

M1 do 17.50 jutro

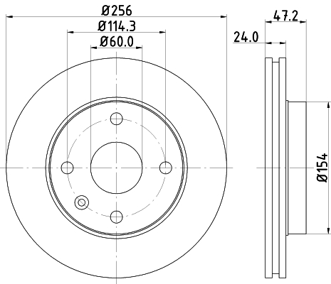
Typ tarczy hamulcowej z wentylacją wewnętrzną
średnica zewnętrzna [mm] 256
Grubość tarczy hamulcowej [mm] 24
Wysokość [mm] 47,2
Minimalna grubość [mm] 22
Średnica wewnętrzna [mm] 141
Ø rozmieszczenia otworów [mm] 114,3
Średnica otworu centrującego [mm] 60
Wzór otworów/liczba otworów 04/05
Średnica otworu szpilki koła [mm] 12,6
Informacja uzupełniająca bez piasty koła
Informacja uzupełniająca bez łożyska koła
Informacja uzupełniająca bez sworznia mocującego koła
Ciężar [kg] 5,5
Techniczny numer informacyjny 54335

TXT 92133500TARCZA HAM. CHEVROLET EPICA 05-

Dostępność

Łódź0

Pabianice0

Milionowa0

M7 do 17.50 jutro

M17 do 18.50 2dni

Typ tarczy hamulcowej z wentylacją wewnętrzną
średnica zewnętrzna [mm] 256
Grubość tarczy hamulcowej [mm] 24
Wysokość [mm] 47,2
Minimalna grubość [mm] 22
Średnica wewnętrzna [mm] 141
Ø rozmieszczenia otworów [mm] 114,3
Średnica otworu centrującego [mm] 60
Wzór otworów/liczba otworów 04/05
Średnica otworu szpilki koła [mm] 12,6
Informacja uzupełniająca bez piasty koła
Informacja uzupełniająca bez łożyska koła
Informacja uzupełniająca bez sworznia mocującego koła
Długość opakowania [cm] 27,8
Szerokość opakowania [cm] 27,8
Wysokość opakowania [cm] 12,2
Ciężar [kg] 5,5