HEL 8DD355132181tarcza ham. malow. tył HOL OP
Łódź0
Pabianice0
Milionowa0
M1 do 17.50 jutro
| Typ tarczy hamulcowej | z wentylacją wewnętrzną |
| średnica zewnętrzna [mm] | 315 |
| Grubość tarczy hamulcowej [mm] | 23 |
| Wysokość [mm] | 44,8 |
| Minimalna grubość [mm] | 21 |
| Powierzchnia | pokryty |
| Średnica wewnętrzna [mm] | 172,4 |
| Ø rozmieszczenia otworów [mm] | 115 |
| Średnica otworu centrującego [mm] | 70,7 |
| Wzór otworów/liczba otworów | 05/06 |
| Średnica otworu szpilki koła [mm] | 14,2 |
| Informacja uzupełniająca | bez piasty koła |
| Informacja uzupełniająca | bez łożyska koła |
| Informacja uzupełniająca | bez sworznia mocującego koła |
| Ciężar [kg] | 8 |
| Techniczny numer informacyjny | 56056PRO |
HEL 8DD355132751tarcza ham. malow. tył HOL OP
Łódź0
Pabianice0
Milionowa0
M1 do 17.50 jutro
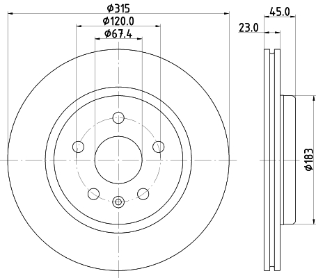
| Typ tarczy hamulcowej | z wentylacją wewnętrzną |
| średnica zewnętrzna [mm] | 315 |
| Grubość tarczy hamulcowej [mm] | 23 |
| Wysokość [mm] | 45 |
| Minimalna grubość [mm] | 21 |
| Powierzchnia | pokryty |
| Średnica wewnętrzna [mm] | 172,2 |
| Ø rozmieszczenia otworów [mm] | 120 |
| Średnica otworu centrującego [mm] | 67,4 |
| Wzór otworów/liczba otworów | 05/06 |
| Średnica otworu szpilki koła [mm] | 16 |
| Informacja uzupełniająca | bez piasty koła |
| Informacja uzupełniająca | bez łożyska koła |
| Informacja uzupełniająca | bez sworznia mocującego koła |
| Ciężar [kg] | 8 |
| Techniczny numer informacyjny | 56158PRO |
TXT 92305603TARCZA HAMULCOWA TYL
Łódź0
Pabianice0
Milionowa0
M7 do 17.50 jutro
M17 do 18.50 2dni
| Typ tarczy hamulcowej | z wentylacją wewnętrzną |
| średnica zewnętrzna [mm] | 315 |
| Grubość tarczy hamulcowej [mm] | 23 |
| Wysokość [mm] | 44,8 |
| Minimalna grubość [mm] | 21 |
| Powierzchnia | pokryty |
| Średnica wewnętrzna [mm] | 172,4 |
| Ø rozmieszczenia otworów [mm] | 115 |
| Średnica otworu centrującego [mm] | 70,7 |
| Wzór otworów/liczba otworów | 05/06 |
| Średnica otworu szpilki koła [mm] | 14,2 |
| Informacja uzupełniająca | bez piasty koła |
| Informacja uzupełniająca | bez łożyska koła |
| Informacja uzupełniająca | bez sworznia mocującego koła |
| Długość opakowania [cm] | 32,8 |
| Szerokość opakowania [cm] | 32,8 |
| Wysokość opakowania [cm] | 10,5 |
| Ciężar [kg] | 8 |
TXT 92315803TARCZA HAMULCOWA TYL
Łódź0
Pabianice0
Milionowa0
M7 do 17.50 jutro
M17 do 18.50 2dni
| Typ tarczy hamulcowej | z wentylacją wewnętrzną |
| średnica zewnętrzna [mm] | 315 |
| Grubość tarczy hamulcowej [mm] | 23 |
| Wysokość [mm] | 45 |
| Minimalna grubość [mm] | 21 |
| Powierzchnia | pokryty |
| Średnica wewnętrzna [mm] | 172,2 |
| Ø rozmieszczenia otworów [mm] | 120 |
| Średnica otworu centrującego [mm] | 67,4 |
| Wzór otworów/liczba otworów | 05/06 |
| Średnica otworu szpilki koła [mm] | 16 |
| Informacja uzupełniająca | bez piasty koła |
| Informacja uzupełniająca | bez łożyska koła |
| Informacja uzupełniająca | bez sworznia mocującego koła |
| Długość opakowania [cm] | 32,8 |
| Szerokość opakowania [cm] | 32,8 |
| Wysokość opakowania [cm] | 10,5 |
| Ciężar [kg] | 8 |