BLP ADN18924PRZEGUB NAPĘDOWY NISSAN
Łódź0
Pabianice0
Milionowa0
M2 do 17.50 2dni
M7 do 17.50 jutro
M17 do 18.50 2dni
| Długość [mm] | 163 |
| średnica zewnętrzna [mm] | 83 |
| Wymiar gwintu zewnętrznego | M22 x 1,5 |
| Uzębienie zewnętrzne od strony koła | 25 |
| Wewnętrzne uzębienie, od strony koła | 22 |
| Artykuł uzupełniający / informacja uzupełniająca | ze smarem |
| Informacja uzupełniająca | z nakrętką |
| Strona zabudowy | Od strony koła |
| Strona zabudowy | Oś przednia |
| Średnica pierścienia uszczelniającego [mm] | 55 |
| uwzględnić informację serwisową |
BLP ADN18924BPRZEGUB NAPĘDOWY NISSAN
Łódź0
Pabianice0
Milionowa0
M2 do 17.50 2dni
M7 do 17.50 jutro
M17 do 18.50 2dni
| Długość [mm] | 163 |
| średnica zewnętrzna [mm] | 83 |
| Wymiar gwintu zewnętrznego | M22 x 1,5 |
| Uzębienie zewnętrzne od strony koła | 25 |
| Wewnętrzne uzębienie, od strony koła | 22 |
| Liczba zębów, pierścień ABS | 42 |
| Średnica pierścienia ABS [mm] | 78 |
| Artykuł uzupełniający / informacja uzupełniająca | ze smarem |
| Informacja uzupełniająca | z nakrętką |
| Strona zabudowy | Od strony koła |
| Strona zabudowy | Oś przednia |
| Średnica pierścienia uszczelniającego [mm] | 55 |
| uwzględnić informację serwisową |
GSP 841001Przegub napędowy (komplet) NISSAN (!)
Łódź0
Pabianice0
Milionowa0
M2 do 17.50 2dni
M7 do 17.50 jutro
M1 do 17.50 jutro
M17 do 18.50 2dni
| Długość [mm] | 163 |
| Wymiar gwintu | M22X1,5 |
| Uzębienie zewnętrzne od strony koła | 25 |
| Wewnętrzne uzębienie, od strony koła | 22 |
| Średnica pierścienia uszczelniającego [mm] | 55 |
| Artykuł uzupełniający / informacja uzupełniająca | Pierścień zabezpieczający wewnętrzny |
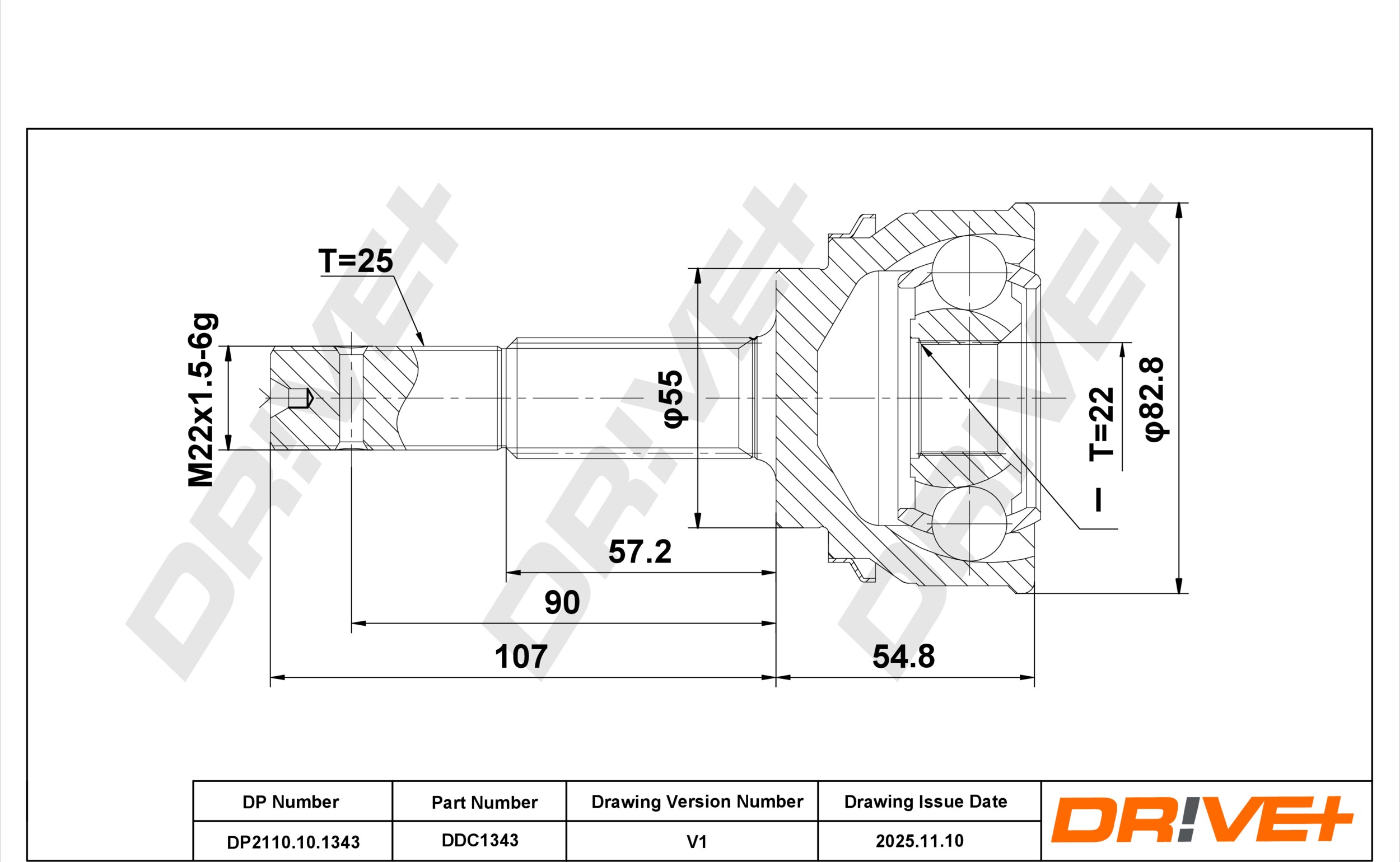
DP2110.10.1343PRZEGUB NISSAN SUNNY III 1.4 I 16V 90-

Łódź0
Pabianice0
Milionowa0
M2 do 17.50 2dni
| Długość [mm] | 163 |
| Wymiar gwintu | M22X1,5 |
| Uzębienie zewnętrzne od strony koła | 25 |
| Wewnętrzne uzębienie, od strony koła | 22 |
| Średnica pierścienia uszczelniającego [mm] | 55 |