BLP ADM543100Tarcza hamulcowa MAZDA (!)
1 x TARCZA HAMULCOWA zgodnie z wymogami dotyczącymi bezpieczeństwa producent zaleca zakup i wymianę parami (2szt)
Łódź2
Pabianice0
Milionowa0
Do 10.10-na dziś 14.00
M3 do 18.20 jutro
M2 do 17.50 2dni
M17 do 18.50 2dni
| Grubość tarczy hamulcowej [mm] | 23 |
| Felga, liczba otworów | 4 |
| Liczba otworów do mocowania | 1 |
| Grubość [mm] | 44 |
| Średnica zewnętrzna [mm] | 258 |
| Ø rozmieszczenia otworów [mm] | 100 |
| Powierzchnia | pokryty |
| Typ tarczy hamulcowej | z wentylacją wewnętrzną |
| Strona zabudowy | Oś przednia |
| Minimalna grubość [mm] | 21 |
| Średnica otworu centrującego [mm] | 55 |
| uwzględnić informację serwisową |
ABS 17938Tarcza hamulcowa MAZDA 2 07- (!)
1 x TARCZA HAMULCOWA zgodnie z wymogami dotyczącymi bezpieczeństwa producent zaleca zakup i wymianę parami (2szt)
Łódź0
Pabianice0
Milionowa0
Do 10.10-na dziś 14.00
M3 do 18.20 jutro
M17 do 18.50 2dni
| Średnica zewnętrzna [mm] | 258 |
| Grubość tarczy hamulcowej [mm] | 23 |
| Minimalna grubość [mm] | 21 |
| Wysokość [mm] | 44 |
| Felga, liczba otworów | 4 |
| Typ tarczy hamulcowej | wentylowany |
| Średnica otworu centrującego [mm] | 55 |
| Ø rozmieszczenia otworów [mm] | 100 |
| Powierzchnia | pokryty |
| Średnica piasty [mm] | 146 |
ASH 60-00-0307CTARCZA HAM./PRZ/
Łódź0
Pabianice0
Milionowa0
M2 do 17.50 2dni
| Średnica zewnętrzna [mm] | 258 |
| Wysokość [mm] | 44 |
| Typ tarczy hamulcowej | wentylowany |
| Grubość tarczy hamulcowej [mm] | 23 |
| Minimalna grubość [mm] | 21 |
| Liczba otworów | 4 |
| Powierzchnia | lakierowany |
| Strona zabudowy | Oś przednia |
| Moment dokręcenia [Nm] | 85 |
| dla numeru OE | 8V511125AD |
BLP ADF124309TARCZA HAMULC. FORD (!)
1 x TARCZA HAMULCOWA zgodnie z wymogami dotyczącymi bezpieczeństwa producent zaleca zakup i wymianę parami (2szt)
Łódź0
Pabianice0
Milionowa0
Do 10.10-na dziś 14.00
M3 do 18.20 jutro
M2 do 17.50 2dni
M17 do 18.50 2dni
| Grubość tarczy hamulcowej [mm] | 23 |
| Felga, liczba otworów | 4 |
| Grubość [mm] | 44 |
| Średnica zewnętrzna [mm] | 258 |
| Ø rozmieszczenia otworów [mm] | 108 |
| Powierzchnia | pokryty |
| Typ tarczy hamulcowej | z wentylacją wewnętrzną |
| Strona zabudowy | Oś przednia |
| Minimalna grubość [mm] | 21 |
| Średnica otworu centrującego [mm] | 63,6 |
| uwzględnić informację serwisową |
DAC 602203Tarcza hamulcowa
1 x TARCZA HAMULCOWA zgodnie z wymogami dotyczącymi bezpieczeństwa producent zaleca zakup i wymianę parami (2szt) MAZDA 2 07-
Łódź0
Pabianice0
Milionowa0
Do 10.10-na dziś 14.00
M3 do 18.20 jutro
M1 do 17.50 jutro
| Wysokość [mm] | 44 |
| Typ tarczy hamulcowej | wentylowany |
| Grubość tarczy hamulcowej [mm] | 23 |
| Wymiar gwintu | 13 |
| Minimalna grubość [mm] | 21 |
| Średnica zewnętrzna [mm] | 258 |
| Liczba otworów | 4 |
| Średnica otworu centrującego [mm] | 55 |
FEB 108431TARCZA HAMULC. MAZDA 2 07- (!)
1 x TARCZA HAMULCOWA zgodnie z wymogami dotyczącymi bezpieczeństwa producent zaleca zakup i wymianę parami (2szt)
Łódź0
Pabianice0
Milionowa0
Do 10.10-na dziś 14.00
M3 do 18.20 jutro
M2 do 17.50 2dni
M17 do 18.50 2dni
| Grubość tarczy hamulcowej [mm] | 23 |
| Felga, liczba otworów | 4 |
| Liczba otworów do mocowania | 1 |
| Grubość [mm] | 44 |
| Średnica zewnętrzna [mm] | 258 |
| Ø rozmieszczenia otworów [mm] | 100 |
| Powierzchnia | pokryty |
| Typ tarczy hamulcowej | z wentylacją wewnętrzną |
| Strona zabudowy | Oś przednia |
| Minimalna grubość [mm] | 21 |
| Średnica otworu centrującego [mm] | 55 |
| uwzględnić informację serwisową |
FEB 38600Tarcza hamulcowa FORD FIESTA 08- (!)
1 x TARCZA HAMULCOWA zgodnie z wymogami dotyczącymi bezpieczeństwa producent zaleca zakup i wymianę parami (2szt)
Łódź0
Pabianice0
Milionowa0
Do 10.10-na dziś 14.00
M3 do 18.20 jutro
M2 do 17.50 2dni
M17 do 18.50 2dni
| Grubość tarczy hamulcowej [mm] | 23 |
| Felga, liczba otworów | 4 |
| Grubość [mm] | 43,9 |
| Średnica zewnętrzna [mm] | 258 |
| Ø rozmieszczenia otworów [mm] | 108 |
| Powierzchnia | pokryty |
| Typ tarczy hamulcowej | z wentylacją wewnętrzną |
| Strona zabudowy | Oś przednia |
| Minimalna grubość [mm] | 21 |
| Średnica otworu centrującego [mm] | 63,6 |
| uwzględnić informację serwisową |
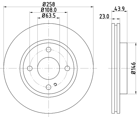
HEL 8DD355115371tarcza ham. malow. prz. FO
Łódź0
Pabianice0
Milionowa0
M1 do 17.50 jutro
| Typ tarczy hamulcowej | z wentylacją wewnętrzną |
| Średnica zewnętrzna [mm] | 258 |
| Grubość tarczy hamulcowej [mm] | 23 |
| Wysokość [mm] | 43,9 |
| Minimalna grubość [mm] | 21 |
| Powierzchnia | pokryty |
| Średnica wewnętrzna [mm] | 136 |
| Ø rozmieszczenia otworów [mm] | 108 |
| Średnica otworu centrującego [mm] | 63,5 |
| Wzór otworów/liczba otworów | 04/05 |
| Średnica otworu szpilki koła [mm] | 13 |
| Informacja uzupełniająca | bez piasty koła |
| Informacja uzupełniająca | bez łożyska koła |
| Informacja uzupełniająca | bez sworznia mocującego koła |
| Ciężar [kg] | 5,8 |
| Techniczny numer informacyjny | 54760PRO |
HEL 8DD355128911tarcza ham. malow. HC prz. FO
Łódź0
Pabianice0
Milionowa0
M1 do 17.50 jutro
| Typ tarczy hamulcowej | z wentylacją wewnętrzną |
| Średnica zewnętrzna [mm] | 258 |
| Grubość tarczy hamulcowej [mm] | 23 |
| Wysokość [mm] | 43,9 |
| Minimalna grubość [mm] | 21 |
| Przetwarzanie | wysoko nawęglany |
| Powierzchnia | pokryty |
| Średnica wewnętrzna [mm] | 136 |
| Ø rozmieszczenia otworów [mm] | 108 |
| Średnica otworu centrującego [mm] | 63,5 |
| Wzór otworów/liczba otworów | 04/05 |
| Średnica otworu szpilki koła [mm] | 13 |
| Informacja uzupełniająca | bez piasty koła |
| Informacja uzupełniająca | bez łożyska koła |
| Informacja uzupełniająca | bez sworznia mocującego koła |
| Ciężar [kg] | 5,8 |
| Techniczny numer informacyjny | 54760PRO_HC |
TXT 92176003TARCZA HAM. FORD FIESTA 08-
Łódź0
Pabianice0
Milionowa0
M17 do 18.50 2dni
| Typ tarczy hamulcowej | z wentylacją wewnętrzną |
| Średnica zewnętrzna [mm] | 258 |
| Grubość tarczy hamulcowej [mm] | 23 |
| Wysokość [mm] | 43,9 |
| Minimalna grubość [mm] | 21 |
| Powierzchnia | pokryty |
| Średnica wewnętrzna [mm] | 136 |
| Ø rozmieszczenia otworów [mm] | 108 |
| Średnica otworu centrującego [mm] | 63,5 |
| Wzór otworów/liczba otworów | 04/05 |
| Średnica otworu szpilki koła [mm] | 13 |
| Informacja uzupełniająca | bez piasty koła |
| Informacja uzupełniająca | bez łożyska koła |
| Informacja uzupełniająca | bez sworznia mocującego koła |
| Długość opakowania [cm] | 27,8 |
| Szerokość opakowania [cm] | 27,8 |
| Wysokość opakowania [cm] | 10,5 |
| Ciężar [kg] | 5,8 |