BLP ADBP430029TARCZA HAMULC. TOYOTA PRIUS 15- PRZÓD (!)
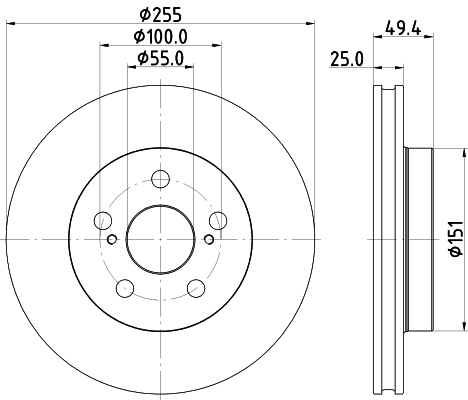
1 x TARCZA HAMULCOWA zgodnie z wymogami dotyczącymi bezpieczeństwa producent zaleca zakup i wymianę parami (2szt) (255x25mm)
Łódź0
Pabianice0
Milionowa0
Do 10.10-na dziś 14.00
M3 do 18.20 jutro
M2 do 17.50 2dni
| Grubość tarczy hamulcowej [mm] | 25 |
| Felga, liczba otworów | 5 |
| Grubość [mm] | 49 |
| Średnica zewnętrzna [mm] | 255 |
| Ø rozmieszczenia otworów [mm] | 100 |
| Powierzchnia | pokryty |
| Typ tarczy hamulcowej | z wentylacją wewnętrzną |
| Strona zabudowy | Oś przednia |
| Minimalna grubość [mm] | 22 |
| Średnica otworu centrującego [mm] | 55 |
| uwzględnić informację serwisową |
HEL 8DD355131911tarcza ham. malow. prz. TO
Łódź0
Pabianice0
Milionowa0
M1 do 17.50 jutro
| Typ tarczy hamulcowej | z wentylacją wewnętrzną |
| Średnica zewnętrzna [mm] | 255 |
| Grubość tarczy hamulcowej [mm] | 25 |
| Wysokość [mm] | 49,4 |
| Minimalna grubość [mm] | 22 |
| Powierzchnia | pokryty |
| Średnica wewnętrzna [mm] | 140,8 |
| Ø rozmieszczenia otworów [mm] | 100 |
| Średnica otworu centrującego [mm] | 55 |
| Wzór otworów/liczba otworów | 05/07 |
| Średnica otworu szpilki koła [mm] | 14,5 |
| Informacja uzupełniająca | bez piasty koła |
| Informacja uzupełniająca | bez łożyska koła |
| Informacja uzupełniająca | bez sworznia mocującego koła |
| Ciężar [kg] | 5,2 |
| Techniczny numer informacyjny | 56017PRO |
TXT 92301703TARCZA HAMULCOWA PRZOD
Łódź0
Pabianice0
Milionowa0
M17 do 18.50 2dni
| Typ tarczy hamulcowej | z wentylacją wewnętrzną |
| Średnica zewnętrzna [mm] | 255 |
| Grubość tarczy hamulcowej [mm] | 25 |
| Wysokość [mm] | 49,4 |
| Minimalna grubość [mm] | 22 |
| Powierzchnia | pokryty |
| Średnica wewnętrzna [mm] | 140,8 |
| Ø rozmieszczenia otworów [mm] | 100 |
| Średnica otworu centrującego [mm] | 55 |
| Wzór otworów/liczba otworów | 05/07 |
| Średnica otworu szpilki koła [mm] | 14,5 |
| Informacja uzupełniająca | bez piasty koła |
| Informacja uzupełniająca | bez łożyska koła |
| Informacja uzupełniająca | bez sworznia mocującego koła |
| Długość opakowania [cm] | 27,8 |
| Szerokość opakowania [cm] | 27,8 |
| Wysokość opakowania [cm] | 12,2 |
| Ciężar [kg] | 5,2 |