0| Oś przednia | |
| Kod towaru | ASH 60-03-351C |
| Producent | ASHIKA |
| Opis | tarcza hamulcowa |
| Strona zabudowy | Oś przednia |
| Ø rozmieszczenia otworów [mm] | 72 |
| Wysokość [mm] | 48 |
| Średnica zewnętrzna [mm] | 320 |
| Grubość tarczy hamulcowej [mm] | 25 |
| Minimalna grubość [mm] | 23 |
| Liczba otworów | 5 |
| Typ tarczy hamulcowej | wentylowany |
| Powierzchnia | lakierowany |
| dla numeru OE | GP9Y3325X |
0
0
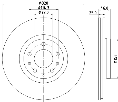
00| Oś przednia | |
| Kod towaru | BLP ADM543112 |
| Producent | BLUE PRINT |
| Opis | tarcza hamulcowa |
| Grubość tarczy hamulcowej [mm] | 25 |
| Felga, liczba otworów | 5 |
| Liczba otworów do mocowania | 3 |
| Grubość [mm] | 46 |
| Średnica zewnętrzna [mm] | 320 |
| Ø rozmieszczenia otworów [mm] | 114 |
| Powierzchnia | pokryty |
| Typ tarczy hamulcowej | z wentylacją wewnętrzną |
| Strona zabudowy | Oś przednia |
| Minimalna grubość [mm] | 23 |
| Średnica otworu centrującego [mm] | 72 |
| Przestrzegać informacji serwisowych | |
| Kod towaru | HEL 8DD355114491 |
| Producent | HELLA PAGID |
| Opis | tarcza hamulcowa |
| Typ tarczy hamulcowej | z wentylacją wewnętrzną |
| Średnica zewnętrzna [mm] | 320 |
| Grubość tarczy hamulcowej [mm] | 25 |
| Wysokość [mm] | 46 |
| Minimalna grubość [mm] | 23 |
| Średnica wewnętrzna [mm] | 142,9 |
| Ø rozmieszczenia otworów [mm] | 114,3 |
| Średnica otworu centrującego [mm] | 72 |
| Wzór otworów/liczba otworów | 05/08 |
| Średnica otworu szpilki koła [mm] | 13 |
| Informacja uzupełniająca | bez piasty koła |
| Informacja uzupełniająca | bez łożyska koła |
| Informacja uzupełniająca | bez sworznia mocującego koła |
| Ciężar [kg] | 9,4 |
| Techniczny numer informacyjny | 54663 |
0| Kod towaru | TXT 92166300 |
| Producent | TEXTAR |
| Opis | tarcza hamulcowa |
| Typ tarczy hamulcowej | z wentylacją wewnętrzną |
| Średnica zewnętrzna [mm] | 320 |
| Grubość tarczy hamulcowej [mm] | 25 |
| Wysokość [mm] | 46 |
| Minimalna grubość [mm] | 23 |
| Średnica wewnętrzna [mm] | 142,9 |
| Ø rozmieszczenia otworów [mm] | 114,3 |
| Średnica otworu centrującego [mm] | 72 |
| Wzór otworów/liczba otworów | 05/08 |
| Średnica otworu szpilki koła [mm] | 13 |
| Informacja uzupełniająca | bez piasty koła |
| Informacja uzupełniająca | bez łożyska koła |
| Informacja uzupełniająca | bez sworznia mocującego koła |
| Długość opakowania [cm] | 32,8 |
| Szerokość opakowania [cm] | 32,8 |
| Wysokość opakowania [cm] | 12,5 |
| Ciężar [kg] | 9,4 |
