0| Oś przednia | |
| Kod towaru | ASH 60-0W-W16C |
| Producent | ASHIKA |
| Opis | tarcza hamulcowa |
| Strona zabudowy | Oś przednia |
| Ø rozmieszczenia otworów [mm] | 71 |
| Wysokość [mm] | 46 |
| Średnica zewnętrzna [mm] | 300 |
| Grubość tarczy hamulcowej [mm] | 26 |
| Minimalna grubość [mm] | 24 |
| Liczba otworów | 5 |
| Typ tarczy hamulcowej | wentylowany |
| Rozmiar felgi [cal] | 16 |
| Oznaczenie kontrolne | ECE R90 APPROVED |
| Powierzchnia | lakierowany |
| dla numeru OE | 95527031 |
0
0
00| Oś przednia | |
| Kod towaru | BLP ADG043166 |
| Producent | BLUE PRINT |
| Opis | tarcza hamulcowa |
| Grubość tarczy hamulcowej [mm] | 26 |
| Felga, liczba otworów | 5 |
| Liczba otworów do mocowania | 1 |
| Grubość [mm] | 46 |
| Średnica zewnętrzna [mm] | 300 |
| Ø rozmieszczenia otworów [mm] | 115 |
| Powierzchnia | pokryty |
| Typ tarczy hamulcowej | z wentylacją wewnętrzną |
| Strona zabudowy | Oś przednia |
| Minimalna grubość [mm] | 23 |
| Średnica otworu centrującego [mm] | 70,7 |
| Przestrzegać informacji serwisowych | |
0
0
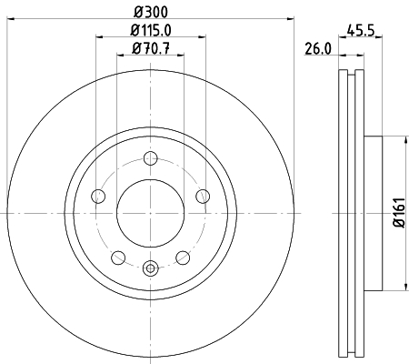
00| Oś przednia | |
| Kod towaru | FEB 39190 |
| Producent | FEBI BILSTEIN |
| Opis | tarcza hamulcowa |
| Grubość tarczy hamulcowej [mm] | 26 |
| Felga, liczba otworów | 5 |
| Liczba otworów do mocowania | 1 |
| Grubość [mm] | 45,5 |
| Średnica zewnętrzna [mm] | 300 |
| Ø rozmieszczenia otworów [mm] | 115 |
| Powierzchnia | pokryty |
| Typ tarczy hamulcowej | z wentylacją wewnętrzną |
| Strona zabudowy | Oś przednia |
| Minimalna grubość [mm] | 23 |
| Średnica otworu centrującego [mm] | 70,7 |
| Przestrzegać informacji serwisowych | |
| Kod towaru | HEL 8DD355116591 |
| Producent | HELLA PAGID |
| Opis | tarcza hamulcowa |
| Typ tarczy hamulcowej | z wentylacją wewnętrzną |
| Średnica zewnętrzna [mm] | 300 |
| Grubość tarczy hamulcowej [mm] | 26 |
| Wysokość [mm] | 45,5 |
| Minimalna grubość [mm] | 23 |
| Powierzchnia | pokryty |
| Średnica wewnętrzna [mm] | 149 |
| Ø rozmieszczenia otworów [mm] | 115 |
| Średnica otworu centrującego [mm] | 70,7 |
| Wzór otworów/liczba otworów | 05/06 |
| Średnica otworu szpilki koła [mm] | 14,2 |
| Informacja uzupełniająca | bez piasty koła |
| Informacja uzupełniająca | bez łożyska koła |
| Informacja uzupełniająca | bez sworznia mocującego koła |
| Ciężar [kg] | 8,5 |
| Techniczny numer informacyjny | 55056PRO |
| Kod towaru | HEL 8DD355129171 |
| Producent | HELLA PAGID |
| Opis | tarcza hamulcowa |
| Typ tarczy hamulcowej | z wentylacją wewnętrzną |
| Średnica zewnętrzna [mm] | 300 |
| Grubość tarczy hamulcowej [mm] | 26 |
| Wysokość [mm] | 45,5 |
| Minimalna grubość [mm] | 23 |
| Przetwarzanie | wysoko nawęglany |
| Powierzchnia | pokryty |
| Średnica wewnętrzna [mm] | 149 |
| Ø rozmieszczenia otworów [mm] | 115 |
| Średnica otworu centrującego [mm] | 70,7 |
| Wzór otworów/liczba otworów | 05/06 |
| Średnica otworu szpilki koła [mm] | 14,2 |
| Informacja uzupełniająca | bez piasty koła |
| Informacja uzupełniająca | bez łożyska koła |
| Informacja uzupełniająca | bez sworznia mocującego koła |
| Ciężar [kg] | 8,5 |
| Techniczny numer informacyjny | 55056PRO_HC |
0
0| Kod towaru | JPN 30H0024-JPN |
| Producent | JPN |
| Opis | tarcza hamulcowa |
| Typ tarczy hamulcowej | wentylowany |
| Felga, liczba otworów | 5 |
| Wysokość [mm] | 45,6 |
| Grubość tarczy hamulcowej [mm] | 26 |
| Minimalna grubość [mm] | 23,4 |
| Średnica zewnętrzna [mm] | 300 |
| Średnica otworu centrującego [mm] | 70,5 |
| Ø rozmieszczenia otworów [mm] | 115 |
0| Kod towaru | JUR 562631JC-1 |
| Producent | JURID |
| Opis | tarcza hamulcowa |
| Typ tarczy hamulcowej | wentylowany |
| Średnica zewnętrzna [mm] | 300 |
| Grubość tarczy hamulcowej [mm] | 26 |
| wymagana liczba | 2 |
| Informacja uzupełniająca | ze śrubami |
| Wersja | JC |
| Wysokość [mm] | 45,5 |
| Średnica otworu centrującego [mm] | 70,7 |
| Liczba otworów | 5 |
| Jednostka ilości | Sztuka |
| Powierzchnia | pokryty |
| Oznaczenie kontrolne | R90 Homologated |
| Ciężar [kg] | 17,85 |
| Minimalna grubość [mm] | 23 |
| Wzór otworów/liczba otworów | 5+1 |
| Moment dokręcenia [Nm] | 110 |
| Rodzaj połączenia | Pudełko |
| Długość opakowania [cm] | 31 |
| Szerokość opakowania [cm] | 31 |
| Wysokość opakowania [cm] | 7,5 |
0| Kod towaru | TXT 92205605 |
| Producent | TEXTAR |
| Opis | tarcza hamulcowa |
| Typ tarczy hamulcowej | z wentylacją wewnętrzną |
| Średnica zewnętrzna [mm] | 300 |
| Grubość tarczy hamulcowej [mm] | 26 |
| Wysokość [mm] | 45,5 |
| Minimalna grubość [mm] | 23 |
| Przetwarzanie | wysoko nawęglany |
| Powierzchnia | pokryty |
| Średnica wewnętrzna [mm] | 149 |
| Ø rozmieszczenia otworów [mm] | 115 |
| Średnica otworu centrującego [mm] | 70,7 |
| Wzór otworów/liczba otworów | 05/06 |
| Średnica otworu szpilki koła [mm] | 14,2 |
| Informacja uzupełniająca | bez piasty koła |
| Informacja uzupełniająca | bez łożyska koła |
| Informacja uzupełniająca | bez sworznia mocującego koła |
| Długość opakowania [cm] | 30,8 |
| Szerokość opakowania [cm] | 30,8 |
| Wysokość opakowania [cm] | 12,7 |
| Ciężar [kg] | 8,5 |
00| Oś przednia | |
| Kod towaru | HP 207 982 |
| Producent | TOPRAN |
| Opis | tarcza hamulcowa |
| Strona zabudowy | Oś przednia |
| Typ tarczy hamulcowej | wentylowany |
| Średnica zewnętrzna [mm] | 300 |
| Średnica piasty [mm] | 161 |
| Średnica otworu centrującego [mm] | 70,7 |
| Powierzchnia | pokryty |
| Grubość tarczy hamulcowej [mm] | 26 |
| Wysokość [mm] | 45,5 |
| Felga, liczba otworów | 5 |
| Ø rozmieszczenia otworów [mm] | 115 |
| Zamiana tylko w parach | |
