0| Oś przednia | |
| Kod towaru | ASH 60-00-052C |
| Producent | ASHIKA |
| Opis | tarcza hamulcowa |
| Strona zabudowy | Oś przednia |
| Ø rozmieszczenia otworów [mm] | 61 |
| Wysokość [mm] | 44,5 |
| Średnica zewnętrzna [mm] | 258 |
| Grubość tarczy hamulcowej [mm] | 22 |
| Minimalna grubość [mm] | 20 |
| Liczba otworów | 4 |
| Typ tarczy hamulcowej | wentylowany |
| Powierzchnia | lakierowany |
| dla numeru OE | 402065054R |
0
0
00| Oś przednia | |
| Kod towaru | BLP ADR164307 |
| Producent | BLUE PRINT |
| Opis | tarcza hamulcowa |
| Grubość tarczy hamulcowej [mm] | 22 |
| Felga, liczba otworów | 4 |
| Liczba otworów do mocowania | 2 |
| Grubość [mm] | 44 |
| Średnica zewnętrzna [mm] | 258 |
| Ø rozmieszczenia otworów [mm] | 100 |
| Powierzchnia | pokryty |
| Typ tarczy hamulcowej | z wentylacją wewnętrzną |
| Strona zabudowy | Oś przednia |
| Minimalna grubość [mm] | 19,8 |
| Średnica otworu centrującego [mm] | 61 |
| dla numeru OE | 77 01 210 081 SK |
| Przestrzegać informacji serwisowych | |
0
0
00| Oś przednia | |
| Kod towaru | FEB 39477 |
| Producent | FEBI BILSTEIN |
| Opis | tarcza hamulcowa |
| Grubość tarczy hamulcowej [mm] | 22 |
| Felga, liczba otworów | 4 |
| Liczba otworów do mocowania | 2 |
| Grubość [mm] | 43,8 |
| Średnica zewnętrzna [mm] | 258 |
| Ø rozmieszczenia otworów [mm] | 100 |
| Powierzchnia | pokryty |
| Typ tarczy hamulcowej | z wentylacją wewnętrzną |
| Strona zabudowy | Oś przednia |
| Minimalna grubość [mm] | 19,8 |
| Średnica otworu centrującego [mm] | 61 |
| dla numeru OE | 77 01 210 081 SK |
| Przestrzegać informacji serwisowych | |
| Kod towaru | HEL 8DD355119461 |
| Producent | HELLA PAGID |
| Opis | tarcza hamulcowa |
| Typ tarczy hamulcowej | z wentylacją wewnętrzną |
| Średnica zewnętrzna [mm] | 258 |
| Grubość tarczy hamulcowej [mm] | 22 |
| Wysokość [mm] | 44 |
| Minimalna grubość [mm] | 19,8 |
| Powierzchnia | pokryty |
| Średnica wewnętrzna [mm] | 126,5 |
| Ø rozmieszczenia otworów [mm] | 100 |
| Średnica otworu centrującego [mm] | 61 |
| Wzór otworów/liczba otworów | 04/06 |
| Średnica otworu szpilki koła [mm] | 13,5 |
| Informacja uzupełniająca | bez piasty koła |
| Informacja uzupełniająca | bez łożyska koła |
| Informacja uzupełniająca | bez sworznia mocującego koła |
| Ciężar [kg] | 4,6 |
| Techniczny numer informacyjny | 55552PRO |
| Kod towaru | HEL 8DD355129621 |
| Producent | HELLA PAGID |
| Opis | tarcza hamulcowa |
| Typ tarczy hamulcowej | z wentylacją wewnętrzną |
| Średnica zewnętrzna [mm] | 258 |
| Grubość tarczy hamulcowej [mm] | 22 |
| Wysokość [mm] | 44 |
| Minimalna grubość [mm] | 19,8 |
| Przetwarzanie | wysoko nawęglany |
| Powierzchnia | pokryty |
| Średnica wewnętrzna [mm] | 126,5 |
| Ø rozmieszczenia otworów [mm] | 100 |
| Średnica otworu centrującego [mm] | 61 |
| Wzór otworów/liczba otworów | 04/06 |
| Średnica otworu szpilki koła [mm] | 13,5 |
| Informacja uzupełniająca | bez piasty koła |
| Informacja uzupełniająca | bez łożyska koła |
| Informacja uzupełniająca | bez sworznia mocującego koła |
| Ciężar [kg] | 4,6 |
| Techniczny numer informacyjny | 55552PRO_HC |
0| Kod towaru | JUR 562960JC |
| Producent | JURID |
| Opis | tarcza hamulcowa |
| Typ tarczy hamulcowej | wentylowany |
| Średnica zewnętrzna [mm] | 258 |
| Grubość tarczy hamulcowej [mm] | 22 |
| wymagana liczba | 1 |
| Informacja uzupełniająca | ze śrubami |
| Wersja | JC |
| Wysokość [mm] | 44 |
| Średnica otworu centrującego [mm] | 61 |
| Liczba otworów | 4 |
| Jednostka ilości | Zestaw |
| Powierzchnia | pokryty |
| Oznaczenie kontrolne | R90 Homologated |
| Ciężar [kg] | 9,6 |
| Średnica otworu [mm] | 61 |
| Minimalna grubość [mm] | 19,8 |
| Rodzaj połączenia | Pudełko |
| Długość opakowania [cm] | 26,1 |
| Szerokość opakowania [cm] | 26,1 |
| Wysokość opakowania [cm] | 11,3 |
0| Kod towaru | TXT 92255203 |
| Producent | TEXTAR |
| Opis | tarcza hamulcowa |
| Typ tarczy hamulcowej | z wentylacją wewnętrzną |
| Średnica zewnętrzna [mm] | 258 |
| Grubość tarczy hamulcowej [mm] | 22 |
| Wysokość [mm] | 44 |
| Minimalna grubość [mm] | 19,8 |
| Powierzchnia | pokryty |
| Średnica wewnętrzna [mm] | 126,5 |
| Ø rozmieszczenia otworów [mm] | 100 |
| Średnica otworu centrującego [mm] | 61 |
| Wzór otworów/liczba otworów | 04/06 |
| Średnica otworu szpilki koła [mm] | 13,5 |
| Informacja uzupełniająca | bez piasty koła |
| Informacja uzupełniająca | bez łożyska koła |
| Informacja uzupełniająca | bez sworznia mocującego koła |
| Długość opakowania [cm] | 27,8 |
| Szerokość opakowania [cm] | 27,8 |
| Wysokość opakowania [cm] | 10,5 |
| Ciężar [kg] | 4,6 |
00| Oś przednia | |
| Kod towaru | HP 701 203 |
| Producent | TOPRAN |
| Opis | tarcza hamulcowa |
| Strona zabudowy | Oś przednia |
| Typ tarczy hamulcowej | wentylowany |
| Powierzchnia | pokryty |
| Średnica zewnętrzna [mm] | 258 |
| Średnica piasty [mm] | 135,8 |
| Średnica otworu centrującego [mm] | 61 |
| Grubość tarczy hamulcowej [mm] | 22 |
| Wysokość [mm] | 44 |
| Felga, liczba otworów | 4 |
| Ø rozmieszczenia otworów [mm] | 100 |
| Zamiana tylko w parach | |
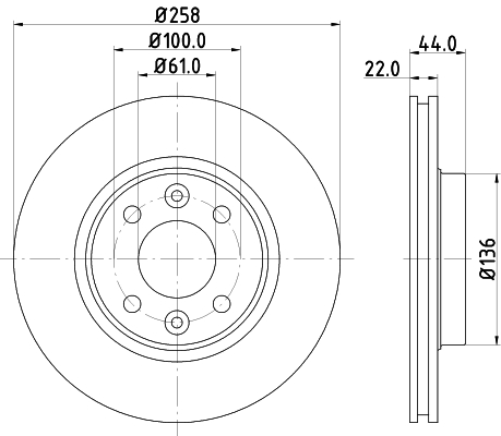
00| Oś przednia | |
| Kod towaru | HP 701 416 |
| Producent | TOPRAN |
| Opis | tarcza hamulcowa |
| Strona zabudowy | Oś przednia |
| Typ tarczy hamulcowej | wentylowany |
| Powierzchnia | pokryty |
| Średnica zewnętrzna [mm] | 258 |
| Wysokość [mm] | 44 |
| Średnica otworu centrującego [mm] | 61 |
| Felga, liczba otworów | 4 |
| Ø rozmieszczenia otworów [mm] | 100 |
| Grubość tarczy hamulcowej [mm] | 22 |
| Średnica piasty [mm] | 136 |
| Zamiana tylko w parach | |
