JUR 561472JTarcze hamulcowe
1 x TARCZA HAMULCOWA zgodnie z wymogami dotyczącymi bezpieczeństwa producent zaleca zakup i wymianę parami (2szt)
Łódź0
Pabianice0
Milionowa0
M2 do 17.50 2dni
| Typ tarczy hamulcowej | wentylowany |
| średnica zewnętrzna [mm] | 269 |
| Grubość tarczy hamulcowej [mm] | 20 |
| Informacja uzupełniająca | bez śrub |
| Wysokość [mm] | 46 |
| Ø rozmieszczenia otworów [mm] | 112 |
| Średnica otworu centrującego [mm] | 68 |
| Liczba otworów | 5 |
| Jednostka ilości | Zestaw |
| Powierzchnia | naoliwione |
| Wersja | J |
| Ciężar [kg] | 11,05 |
| Minimalna grubość [mm] | 18 |
| Rodzaj połączenia | Pudełko |
| Długość opakowania [cm] | 29 |
| Szerokość opakowania [cm] | 29 |
| Wysokość opakowania [cm] | 10,5 |
HEL 8DD355101361tarcza ham. prz. AU
Łódź0
Pabianice0
Milionowa0
M1 do 17.50 jutro
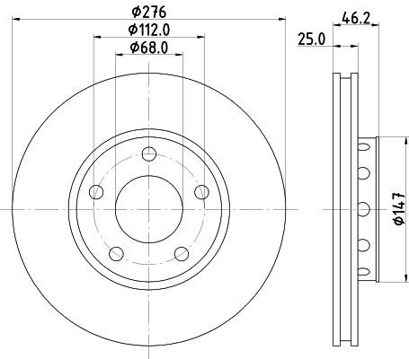
| Typ tarczy hamulcowej | wentylowany zewnętrznie |
| średnica zewnętrzna [mm] | 276 |
| Grubość tarczy hamulcowej [mm] | 25 |
| Wysokość [mm] | 46,2 |
| Minimalna grubość [mm] | 23 |
| Średnica wewnętrzna [mm] | 135 |
| Ø rozmieszczenia otworów [mm] | 112 |
| Średnica otworu centrującego [mm] | 68 |
| Wzór otworów/liczba otworów | 05/05 |
| Średnica otworu szpilki koła [mm] | 15,2 |
| Informacja uzupełniająca | bez piasty koła |
| Informacja uzupełniająca | bez łożyska koła |
| Informacja uzupełniająca | bez sworznia mocującego koła |
| Ciężar [kg] | 7,1 |
| Techniczny numer informacyjny | 53941 |
TXT 92037200TARCZA HAMULCOWA PRZOD
Łódź0
Pabianice0
Milionowa0
M7 do 17.50 jutro
M17 do 18.50 2dni
| Typ tarczy hamulcowej | wentylowany zewnętrznie |
| średnica zewnętrzna [mm] | 276 |
| Grubość tarczy hamulcowej [mm] | 25 |
| Wysokość [mm] | 46,2 |
| Minimalna grubość [mm] | 23 |
| Średnica wewnętrzna [mm] | 135 |
| Ø rozmieszczenia otworów [mm] | 112 |
| Średnica otworu centrującego [mm] | 68 |
| Wzór otworów/liczba otworów | 05/05 |
| Średnica otworu szpilki koła [mm] | 15,2 |
| Informacja uzupełniająca | bez piasty koła |
| Informacja uzupełniająca | bez łożyska koła |
| Informacja uzupełniająca | bez sworznia mocującego koła |
| Długość opakowania [cm] | 30,8 |
| Szerokość opakowania [cm] | 30,8 |
| Wysokość opakowania [cm] | 12,7 |
| Ciężar [kg] | 7,1 |