0
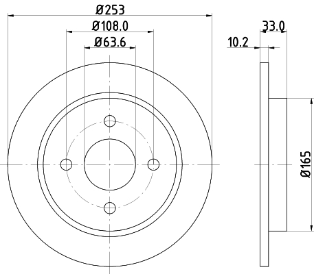
0| Kod towaru | PPH 3B2026 |
| Producent | PROFIPOWER |
| Opis | tarcza hamulcowa |
| Typ tarczy hamulcowej | pełny |
| Wysokość [mm] | 33 |
| Grubość tarczy hamulcowej [mm] | 10 |
| Wymiar gwintu | 13,7 |
| Minimalna grubość [mm] | 8,9 |
| Średnica zewnętrzna [mm] | 253 |
| Liczba otworów | 4 |
| Średnica otworu centrującego [mm] | 63,5 |
| Ø rozmieszczenia otworów [mm] | 108 |
0
0
0| Kod towaru | ABS 16375 |
| Producent | A.B.S. |
| Opis | tarcza hamulcowa |
| Średnica zewnętrzna [mm] | 253 |
| Grubość tarczy hamulcowej [mm] | 10,3 |
| Minimalna grubość [mm] | 8,9 |
| Wysokość [mm] | 33 |
| Felga, liczba otworów | 4 |
| Typ tarczy hamulcowej | pełny |
| Średnica otworu centrującego [mm] | 63,7 |
| Ø rozmieszczenia otworów [mm] | 107,9 |
| Średnica piasty [mm] | 165 |
0| Oś tylna | |
| Kod towaru | ASH 61-00-0303C |
| Producent | ASHIKA |
| Opis | tarcza hamulcowa |
| Średnica zewnętrzna [mm] | 253 |
| Wysokość [mm] | 33 |
| Typ tarczy hamulcowej | pełny |
| Grubość tarczy hamulcowej [mm] | 10 |
| Minimalna grubość [mm] | 8,9 |
| Liczba otworów | 4 |
| Powierzchnia | lakierowany |
| Strona zabudowy | Oś tylna |
| Moment dokręcenia [Nm] | 85 |
| dla numeru OE | C1BC2A315AA |
0
00
0| Kod towaru | BRE 08.4931.21 |
| Producent | BREMBO |
| Opis | tarcza hamulcowa |
| Typ tarczy hamulcowej | pełny |
| Grubość tarczy hamulcowej [mm] | 10 |
| Liczba otworów | 4 |
| Wysokość [mm] | 33 |
| Średnica otworu centrującego [mm] | 64 |
| Średnica zewnętrzna [mm] | 253 |
| Powierzchnia | pokryty |
| Minimalna grubość [mm] | 8,9 |
| Moment dokręcenia [Nm] | 85 |
0
0
0| Kod towaru | BRE 08.4931.2X |
| Producent | BREMBO |
| Opis | tarcza hamulcowa |
| Typ tarczy hamulcowej | pełny |
| Typ tarczy hamulcowej | perforowany |
| Grubość tarczy hamulcowej [mm] | 10 |
| Liczba otworów | 4 |
| Wysokość [mm] | 33 |
| Średnica otworu centrującego [mm] | 64 |
| Średnica zewnętrzna [mm] | 253 |
| Powierzchnia | pokryty |
| Minimalna grubość [mm] | 9,1 |
| Moment dokręcenia [Nm] | 85 |
0
00
0| Kod towaru | BRE 08.4931.76 |
| Producent | BREMBO |
| Opis | tarcza hamulcowa |
| Typ tarczy hamulcowej | pełny |
| Typ tarczy hamulcowej | szczelinowy |
| Grubość tarczy hamulcowej [mm] | 10 |
| Liczba otworów | 4 |
| Wysokość [mm] | 33 |
| Średnica otworu centrującego [mm] | 64 |
| Średnica zewnętrzna [mm] | 253 |
| Powierzchnia | pokryty |
| Minimalna grubość [mm] | 8,9 |
| Moment dokręcenia [Nm] | 85 |
0
0| Kod towaru | DAC 602505 |
| Producent | DACO GERMANY |
| Opis | tarcza hamulcowa |
| Wysokość [mm] | 33 |
| Typ tarczy hamulcowej | pełny |
| Grubość tarczy hamulcowej [mm] | 10 |
| Wymiar gwintu | 13,7 |
| Minimalna grubość [mm] | 8,9 |
| Średnica zewnętrzna [mm] | 253 |
| Liczba otworów | 4 |
| Średnica otworu centrującego [mm] | 63,5 |
| Ø rozmieszczenia otworów [mm] | 108 |
| Powierzchnia | lakierowany |
0| Oś tylna | |
| Kod towaru | DP1010.11.0100 |
| Producent | DR!VE+ |
| Opis | tarcza hamulcowa |
| Felga, liczba otworów | 4 |
| Strona zabudowy | Oś tylna |
| Długość [mm] | 252,6 |
| Wysokość [mm] | 33 |
| Typ tarczy hamulcowej | pełny |
| Grubość tarczy hamulcowej [mm] | 10,2 |
| Minimalna grubość [mm] | 8,9 |
| Średnica zewnętrzna [mm] | 253 |
| Średnica otworu centrującego [mm] | 63,6 |
| Powierzchnia | naoliwione |
0
0
00| Oś tylna | |
| Kod towaru | FEB 05652 |
| Producent | FEBI BILSTEIN |
| Opis | tarcza hamulcowa |
| Grubość tarczy hamulcowej [mm] | 10 |
| Felga, liczba otworów | 4 |
| Grubość [mm] | 33 |
| Średnica zewnętrzna [mm] | 253 |
| Ø rozmieszczenia otworów [mm] | 108 |
| Powierzchnia | pokryty |
| Typ tarczy hamulcowej | pełny |
| Strona zabudowy | Oś tylna |
| Minimalna grubość [mm] | 8,9 |
| Średnica otworu centrującego [mm] | 63,5 |
| Przestrzegać informacji serwisowych | |
| Kod towaru | HEL 8DD355105661 |
| Producent | HELLA PAGID |
| Opis | tarcza hamulcowa |
| Typ tarczy hamulcowej | pełny |
| Średnica zewnętrzna [mm] | 253 |
| Grubość tarczy hamulcowej [mm] | 10,2 |
| Wysokość [mm] | 33 |
| Minimalna grubość [mm] | 8,9 |
| Powierzchnia | pokryty |
| Średnica wewnętrzna [mm] | 155 |
| Ø rozmieszczenia otworów [mm] | 108 |
| Średnica otworu centrującego [mm] | 63,6 |
| Wzór otworów/liczba otworów | 04/04 |
| Średnica otworu szpilki koła [mm] | 14 |
| Informacja uzupełniająca | bez piasty koła |
| Informacja uzupełniająca | bez łożyska koła |
| Informacja uzupełniająca | bez sworznia mocującego koła |
| Ciężar [kg] | 3,4 |
| Techniczny numer informacyjny | 51008PRO |
0| Kod towaru | JUR 561375JC |
| Producent | JURID |
| Opis | tarcza hamulcowa |
| Typ tarczy hamulcowej | pełny |
| Średnica zewnętrzna [mm] | 253 |
| Grubość tarczy hamulcowej [mm] | 10 |
| wymagana liczba | 1 |
| Informacja uzupełniająca | bez śrub |
| Wersja | JC |
| Wysokość [mm] | 33 |
| Ø rozmieszczenia otworów [mm] | 108 |
| Średnica otworu centrującego [mm] | 63,5 |
| Liczba otworów | 4 |
| Jednostka ilości | Zestaw |
| Powierzchnia | pokryty |
| Oznaczenie kontrolne | R90 Homologated |
| Ciężar [kg] | 7 |
| Minimalna grubość [mm] | 8,9 |
| Moment dokręcenia [Nm] | 85 |
| Rodzaj połączenia | Pudełko |
| Długość opakowania [cm] | 27,5 |
| Szerokość opakowania [cm] | 27,5 |
| Wysokość opakowania [cm] | 8 |
0
0
0| Oś tylna | |
| Kod towaru | KAM 103562 |
| Producent | KAMOKA |
| Opis | tarcza hamulcowa |
| Strona zabudowy | Oś tylna |
| Typ tarczy hamulcowej | pełny |
| Grubość tarczy hamulcowej [mm] | 10 |
| Ø rozmieszczenia otworów [mm] | 63 |
| Liczba otworów | 4 |
| Wysokość [mm] | 33 |
| Średnica otworu centrującego [mm] | 63 |
| Powierzchnia | pokryty |
| Średnica zewnętrzna [mm] | 253 |
0| Oś tylna | |
| Kod towaru | SAS 9004807J |
| Producent | SASIC |
| Opis | tarcza hamulcowa |
| Strona zabudowy | Oś tylna |
| Typ tarczy hamulcowej | pełny |
| Średnica zewnętrzna [mm] | 253 |
| Grubość tarczy hamulcowej [mm] | 10,2 |
| Wysokość [mm] | 33 |
| Ø rozmieszczenia otworów [mm] | 63,6 |
| Liczba otworów | 4 |
| dla numeru OE | 1780880 |
0| Kod towaru | TXT 92088403 |
| Producent | TEXTAR |
| Opis | tarcza hamulcowa |
| Typ tarczy hamulcowej | pełny |
| Średnica zewnętrzna [mm] | 253 |
| Grubość tarczy hamulcowej [mm] | 10,2 |
| Wysokość [mm] | 33 |
| Minimalna grubość [mm] | 8,9 |
| Powierzchnia | pokryty |
| Średnica wewnętrzna [mm] | 155 |
| Ø rozmieszczenia otworów [mm] | 108 |
| Średnica otworu centrującego [mm] | 63,6 |
| Wzór otworów/liczba otworów | 04/04 |
| Średnica otworu szpilki koła [mm] | 14 |
| Informacja uzupełniająca | bez piasty koła |
| Informacja uzupełniająca | bez łożyska koła |
| Informacja uzupełniająca | bez sworznia mocującego koła |
| Długość opakowania [cm] | 27,8 |
| Szerokość opakowania [cm] | 27,8 |
| Wysokość opakowania [cm] | 8,4 |
| Ciężar [kg] | 3,4 |
0
0
0| Oś tylna | |
| Kod towaru | TOM TX 70-47 |
| Producent | TOMEX BRAKES |
| Opis | tarcza hamulcowa |
| Strona zabudowy | Oś tylna |
| Typ tarczy hamulcowej | pełny |
| Grubość tarczy hamulcowej [mm] | 10 |
| Średnica zewnętrzna [mm] | 253 |
| Wysokość [mm] | 33 |
| Liczba otworów | 4 |
| Średnica otworu centrującego [mm] | 63,5 |
| Ø rozmieszczenia otworów [mm] | 108 |
| Powierzchnia | lakierowany |
| Ciężar [kg] | 7,25 |
| Minimalna grubość [mm] | 8,9 |
00| Oś tylna | |
| Kod towaru | HP 300 293 |
| Producent | TOPRAN |
| Opis | tarcza hamulcowa |
| Strona zabudowy | Oś tylna |
| Typ tarczy hamulcowej | pełny |
| Średnica zewnętrzna [mm] | 253 |
| Średnica piasty [mm] | 165 |
| Średnica otworu centrującego [mm] | 63,5 |
| Grubość tarczy hamulcowej [mm] | 10,5 |
| Wysokość [mm] | 33 |
| Felga, liczba otworów | 4 |
| Ø rozmieszczenia otworów [mm] | 108 |
| Zamiana tylko w parach | |
0
000
000| Kod towaru | LUC DF1654 |
| Producent | TRW |
| Opis | tarcza hamulcowa |
| Typ tarczy hamulcowej | pełny |
| Średnica zewnętrzna [mm] | 253 |
| Grubość tarczy hamulcowej [mm] | 10 |
| Minimalna grubość [mm] | 8,9 |
| Średnica otworu centrującego [mm] | 63,5 |
| Wysokość [mm] | 33 |
| Liczba otworów | 4 |
| Wymiar gwintu | 13,7 |
| Ø rozmieszczenia otworów [mm] | 108 |
| Kolor | czarny |
| Powierzchnia | lakierowany |
| Oznaczenie kontrolne | E190R-02C0190/0016 |
0
0| Kod towaru | PPH 3B2026 |
| Producent | PROFIPOWER |
| Opis | tarcza hamulcowa |
| Typ tarczy hamulcowej | pełny |
| Wysokość [mm] | 33 |
| Grubość tarczy hamulcowej [mm] | 10 |
| Wymiar gwintu | 13,7 |
| Minimalna grubość [mm] | 8,9 |
| Średnica zewnętrzna [mm] | 253 |
| Liczba otworów | 4 |
| Średnica otworu centrującego [mm] | 63,5 |
| Ø rozmieszczenia otworów [mm] | 108 |
0
0
0| Kod towaru | ABS 16375 |
| Producent | A.B.S. |
| Opis | tarcza hamulcowa |
| Średnica zewnętrzna [mm] | 253 |
| Grubość tarczy hamulcowej [mm] | 10,3 |
| Minimalna grubość [mm] | 8,9 |
| Wysokość [mm] | 33 |
| Felga, liczba otworów | 4 |
| Typ tarczy hamulcowej | pełny |
| Średnica otworu centrującego [mm] | 63,7 |
| Ø rozmieszczenia otworów [mm] | 107,9 |
| Średnica piasty [mm] | 165 |
0| Oś tylna | |
| Kod towaru | ASH 61-00-0303C |
| Producent | ASHIKA |
| Opis | tarcza hamulcowa |
| Średnica zewnętrzna [mm] | 253 |
| Wysokość [mm] | 33 |
| Typ tarczy hamulcowej | pełny |
| Grubość tarczy hamulcowej [mm] | 10 |
| Minimalna grubość [mm] | 8,9 |
| Liczba otworów | 4 |
| Powierzchnia | lakierowany |
| Strona zabudowy | Oś tylna |
| Moment dokręcenia [Nm] | 85 |
| dla numeru OE | C1BC2A315AA |
0
00
0| Kod towaru | BRE 08.4931.21 |
| Producent | BREMBO |
| Opis | tarcza hamulcowa |
| Typ tarczy hamulcowej | pełny |
| Grubość tarczy hamulcowej [mm] | 10 |
| Liczba otworów | 4 |
| Wysokość [mm] | 33 |
| Średnica otworu centrującego [mm] | 64 |
| Średnica zewnętrzna [mm] | 253 |
| Powierzchnia | pokryty |
| Minimalna grubość [mm] | 8,9 |
| Moment dokręcenia [Nm] | 85 |
0
0
0| Kod towaru | BRE 08.4931.2X |
| Producent | BREMBO |
| Opis | tarcza hamulcowa |
| Typ tarczy hamulcowej | pełny |
| Typ tarczy hamulcowej | perforowany |
| Grubość tarczy hamulcowej [mm] | 10 |
| Liczba otworów | 4 |
| Wysokość [mm] | 33 |
| Średnica otworu centrującego [mm] | 64 |
| Średnica zewnętrzna [mm] | 253 |
| Powierzchnia | pokryty |
| Minimalna grubość [mm] | 9,1 |
| Moment dokręcenia [Nm] | 85 |
0
00
0| Kod towaru | BRE 08.4931.76 |
| Producent | BREMBO |
| Opis | tarcza hamulcowa |
| Typ tarczy hamulcowej | pełny |
| Typ tarczy hamulcowej | szczelinowy |
| Grubość tarczy hamulcowej [mm] | 10 |
| Liczba otworów | 4 |
| Wysokość [mm] | 33 |
| Średnica otworu centrującego [mm] | 64 |
| Średnica zewnętrzna [mm] | 253 |
| Powierzchnia | pokryty |
| Minimalna grubość [mm] | 8,9 |
| Moment dokręcenia [Nm] | 85 |
0
0| Kod towaru | DAC 602505 |
| Producent | DACO GERMANY |
| Opis | tarcza hamulcowa |
| Wysokość [mm] | 33 |
| Typ tarczy hamulcowej | pełny |
| Grubość tarczy hamulcowej [mm] | 10 |
| Wymiar gwintu | 13,7 |
| Minimalna grubość [mm] | 8,9 |
| Średnica zewnętrzna [mm] | 253 |
| Liczba otworów | 4 |
| Średnica otworu centrującego [mm] | 63,5 |
| Ø rozmieszczenia otworów [mm] | 108 |
| Powierzchnia | lakierowany |
0| Oś tylna | |
| Kod towaru | DP1010.11.0100 |
| Producent | DR!VE+ |
| Opis | tarcza hamulcowa |
| Felga, liczba otworów | 4 |
| Strona zabudowy | Oś tylna |
| Długość [mm] | 252,6 |
| Wysokość [mm] | 33 |
| Typ tarczy hamulcowej | pełny |
| Grubość tarczy hamulcowej [mm] | 10,2 |
| Minimalna grubość [mm] | 8,9 |
| Średnica zewnętrzna [mm] | 253 |
| Średnica otworu centrującego [mm] | 63,6 |
| Powierzchnia | naoliwione |
0
0
00| Oś tylna | |
| Kod towaru | FEB 05652 |
| Producent | FEBI BILSTEIN |
| Opis | tarcza hamulcowa |
| Grubość tarczy hamulcowej [mm] | 10 |
| Felga, liczba otworów | 4 |
| Grubość [mm] | 33 |
| Średnica zewnętrzna [mm] | 253 |
| Ø rozmieszczenia otworów [mm] | 108 |
| Powierzchnia | pokryty |
| Typ tarczy hamulcowej | pełny |
| Strona zabudowy | Oś tylna |
| Minimalna grubość [mm] | 8,9 |
| Średnica otworu centrującego [mm] | 63,5 |
| Przestrzegać informacji serwisowych | |
| Kod towaru | HEL 8DD355105661 |
| Producent | HELLA PAGID |
| Opis | tarcza hamulcowa |
| Typ tarczy hamulcowej | pełny |
| Średnica zewnętrzna [mm] | 253 |
| Grubość tarczy hamulcowej [mm] | 10,2 |
| Wysokość [mm] | 33 |
| Minimalna grubość [mm] | 8,9 |
| Powierzchnia | pokryty |
| Średnica wewnętrzna [mm] | 155 |
| Ø rozmieszczenia otworów [mm] | 108 |
| Średnica otworu centrującego [mm] | 63,6 |
| Wzór otworów/liczba otworów | 04/04 |
| Średnica otworu szpilki koła [mm] | 14 |
| Informacja uzupełniająca | bez piasty koła |
| Informacja uzupełniająca | bez łożyska koła |
| Informacja uzupełniająca | bez sworznia mocującego koła |
| Ciężar [kg] | 3,4 |
| Techniczny numer informacyjny | 51008PRO |
0| Kod towaru | JUR 561375JC |
| Producent | JURID |
| Opis | tarcza hamulcowa |
| Typ tarczy hamulcowej | pełny |
| Średnica zewnętrzna [mm] | 253 |
| Grubość tarczy hamulcowej [mm] | 10 |
| wymagana liczba | 1 |
| Informacja uzupełniająca | bez śrub |
| Wersja | JC |
| Wysokość [mm] | 33 |
| Ø rozmieszczenia otworów [mm] | 108 |
| Średnica otworu centrującego [mm] | 63,5 |
| Liczba otworów | 4 |
| Jednostka ilości | Zestaw |
| Powierzchnia | pokryty |
| Oznaczenie kontrolne | R90 Homologated |
| Ciężar [kg] | 7 |
| Minimalna grubość [mm] | 8,9 |
| Moment dokręcenia [Nm] | 85 |
| Rodzaj połączenia | Pudełko |
| Długość opakowania [cm] | 27,5 |
| Szerokość opakowania [cm] | 27,5 |
| Wysokość opakowania [cm] | 8 |
0
0
0| Oś tylna | |
| Kod towaru | KAM 103562 |
| Producent | KAMOKA |
| Opis | tarcza hamulcowa |
| Strona zabudowy | Oś tylna |
| Typ tarczy hamulcowej | pełny |
| Grubość tarczy hamulcowej [mm] | 10 |
| Ø rozmieszczenia otworów [mm] | 63 |
| Liczba otworów | 4 |
| Wysokość [mm] | 33 |
| Średnica otworu centrującego [mm] | 63 |
| Powierzchnia | pokryty |
| Średnica zewnętrzna [mm] | 253 |
0| Oś tylna | |
| Kod towaru | SAS 9004807J |
| Producent | SASIC |
| Opis | tarcza hamulcowa |
| Strona zabudowy | Oś tylna |
| Typ tarczy hamulcowej | pełny |
| Średnica zewnętrzna [mm] | 253 |
| Grubość tarczy hamulcowej [mm] | 10,2 |
| Wysokość [mm] | 33 |
| Ø rozmieszczenia otworów [mm] | 63,6 |
| Liczba otworów | 4 |
| dla numeru OE | 1780880 |
0| Kod towaru | TXT 92088403 |
| Producent | TEXTAR |
| Opis | tarcza hamulcowa |
| Typ tarczy hamulcowej | pełny |
| Średnica zewnętrzna [mm] | 253 |
| Grubość tarczy hamulcowej [mm] | 10,2 |
| Wysokość [mm] | 33 |
| Minimalna grubość [mm] | 8,9 |
| Powierzchnia | pokryty |
| Średnica wewnętrzna [mm] | 155 |
| Ø rozmieszczenia otworów [mm] | 108 |
| Średnica otworu centrującego [mm] | 63,6 |
| Wzór otworów/liczba otworów | 04/04 |
| Średnica otworu szpilki koła [mm] | 14 |
| Informacja uzupełniająca | bez piasty koła |
| Informacja uzupełniająca | bez łożyska koła |
| Informacja uzupełniająca | bez sworznia mocującego koła |
| Długość opakowania [cm] | 27,8 |
| Szerokość opakowania [cm] | 27,8 |
| Wysokość opakowania [cm] | 8,4 |
| Ciężar [kg] | 3,4 |
0
0
0| Oś tylna | |
| Kod towaru | TOM TX 70-47 |
| Producent | TOMEX BRAKES |
| Opis | tarcza hamulcowa |
| Strona zabudowy | Oś tylna |
| Typ tarczy hamulcowej | pełny |
| Grubość tarczy hamulcowej [mm] | 10 |
| Średnica zewnętrzna [mm] | 253 |
| Wysokość [mm] | 33 |
| Liczba otworów | 4 |
| Średnica otworu centrującego [mm] | 63,5 |
| Ø rozmieszczenia otworów [mm] | 108 |
| Powierzchnia | lakierowany |
| Ciężar [kg] | 7,25 |
| Minimalna grubość [mm] | 8,9 |
00| Oś tylna | |
| Kod towaru | HP 300 293 |
| Producent | TOPRAN |
| Opis | tarcza hamulcowa |
| Strona zabudowy | Oś tylna |
| Typ tarczy hamulcowej | pełny |
| Średnica zewnętrzna [mm] | 253 |
| Średnica piasty [mm] | 165 |
| Średnica otworu centrującego [mm] | 63,5 |
| Grubość tarczy hamulcowej [mm] | 10,5 |
| Wysokość [mm] | 33 |
| Felga, liczba otworów | 4 |
| Ø rozmieszczenia otworów [mm] | 108 |
| Zamiana tylko w parach | |
0
000
000| Kod towaru | LUC DF1654 |
| Producent | TRW |
| Opis | tarcza hamulcowa |
| Typ tarczy hamulcowej | pełny |
| Średnica zewnętrzna [mm] | 253 |
| Grubość tarczy hamulcowej [mm] | 10 |
| Minimalna grubość [mm] | 8,9 |
| Średnica otworu centrującego [mm] | 63,5 |
| Wysokość [mm] | 33 |
| Liczba otworów | 4 |
| Wymiar gwintu | 13,7 |
| Ø rozmieszczenia otworów [mm] | 108 |
| Kolor | czarny |
| Powierzchnia | lakierowany |
| Oznaczenie kontrolne | E190R-02C0190/0016 |
