0
0
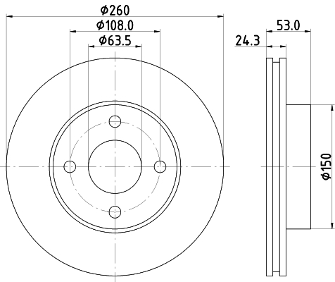
00| Kod towaru | ATE 24.0124-0151.1 |
| Producent | ATE |
| Opis | tarcza hamulcowa |
| Średnica zewnętrzna [mm] | 260,0 |
| Grubość tarczy hamulcowej [mm] | 24,3 |
| Minimalna grubość [mm] | 22,8 |
| Typ tarczy hamulcowej | wentylowany |
| Liczba otworów | 4 |
| Dostępne MAPP-Code | |
| Ø rozmieszczenia otworów [mm] | 108,0 |
| Wysokość [mm] | 53,0 |
| Średnica otworu centrującego [mm] | 63,5 |
| Średnica wewnętrzna [mm] | 137,0 |
| Średnica otworu [mm] | 13,8 |
0
00
00| Kod towaru | DEL BG2350 |
| Producent | DELPHI |
| Opis | tarcza hamulcowa |
| Typ tarczy hamulcowej | wentylowany |
| Liczba otworów | 4 |
| Średnica zewnętrzna [mm] | 261 |
| Grubość tarczy hamulcowej [mm] | 24,4 |
| Minimalna grubość [mm] | 22,2 |
| Średnica otworu centrującego [mm] | 63,7 |
| Wysokość [mm] | 53,5 |
| Kod towaru | HEL 8DD355101391 |
| Producent | HELLA PAGID |
| Opis | tarcza hamulcowa |
| Typ tarczy hamulcowej | z wentylacją wewnętrzną |
| Średnica zewnętrzna [mm] | 260 |
| Grubość tarczy hamulcowej [mm] | 24,3 |
| Wysokość [mm] | 53 |
| Minimalna grubość [mm] | 22,8 |
| Średnica wewnętrzna [mm] | 137,2 |
| Ø rozmieszczenia otworów [mm] | 108 |
| Średnica otworu centrującego [mm] | 63,5 |
| Wzór otworów/liczba otworów | 04/04 |
| Średnica otworu szpilki koła [mm] | 13,7 |
| Informacja uzupełniająca | bez piasty koła |
| Informacja uzupełniająca | bez łożyska koła |
| Informacja uzupełniająca | bez sworznia mocującego koła |
| Ciężar [kg] | 5,5 |
| Techniczny numer informacyjny | 51019 |
0
00
000| Kod towaru | LUC DF1656 |
| Producent | TRW |
| Opis | tarcza hamulcowa |
| Typ tarczy hamulcowej | wentylowany |
| Średnica zewnętrzna [mm] | 260 |
| Grubość tarczy hamulcowej [mm] | 24,3 |
| Minimalna grubość [mm] | 22,8 |
| Średnica otworu centrującego [mm] | 63,5 |
| Wysokość [mm] | 53 |
| Liczba otworów | 4 |
| Wymiar gwintu | 13,75 |
| Ø rozmieszczenia otworów [mm] | 108 |
