HEL 8DB355009171klocki ham. prz. MINI
Łódź0
Pabianice0
Milionowa0
M1 do 17.50 jutro
| Szerokość [mm] | 140,2 |
| Wysokość [mm] | 60,1 |
| Grubość [mm] | 18,3 |
| Styk ostrzegawczy o zużyciu | przygotowany do wskaźnika zużycia |
| Numer WVA | 23281 |
| system hamulcowy | Teves |
| Numer artykułu zalecanego akcesorium | 8DZ 355 201-211 |
| Ciężar [kg] | 1,35 |
| Techniczny numer informacyjny | T1220 |
HEL 8DD355120611tarcza ham. malow. prz. MINI
Łódź0
Pabianice0
Milionowa0
M1 do 17.50 jutro
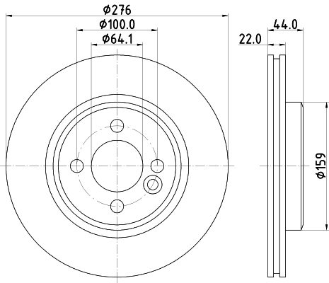
| Typ tarczy hamulcowej | z wentylacją wewnętrzną |
| średnica zewnętrzna [mm] | 276 |
| Grubość tarczy hamulcowej [mm] | 22 |
| Wysokość [mm] | 44 |
| Minimalna grubość [mm] | 20,4 |
| Powierzchnia | pokryty |
| Średnica wewnętrzna [mm] | 150,1 |
| Ø rozmieszczenia otworów [mm] | 100 |
| Średnica otworu centrującego [mm] | 64,1 |
| Wzór otworów/liczba otworów | 04/05 |
| Średnica otworu szpilki koła [mm] | 16,2 |
| Informacja uzupełniająca | bez piasty koła |
| Informacja uzupełniająca | bez łożyska koła |
| Informacja uzupełniająca | bez sworznia mocującego koła |
| Ciężar [kg] | 5,4 |
| Techniczny numer informacyjny | 55624PRO |
HEL 8DD355131981tarcza ham. malow. HC prz. MINI
Łódź0
Pabianice0
Milionowa0
M1 do 17.50 jutro
| Typ tarczy hamulcowej | z wentylacją wewnętrzną |
| średnica zewnętrzna [mm] | 276 |
| Grubość tarczy hamulcowej [mm] | 22 |
| Wysokość [mm] | 44 |
| Minimalna grubość [mm] | 20,4 |
| Przetwarzanie | wysoko nawęglany |
| Powierzchnia | pokryty |
| Średnica wewnętrzna [mm] | 150,1 |
| Ø rozmieszczenia otworów [mm] | 100 |
| Średnica otworu centrującego [mm] | 64,1 |
| Wzór otworów/liczba otworów | 04/05 |
| Średnica otworu szpilki koła [mm] | 16,2 |
| Informacja uzupełniająca | bez piasty koła |
| Informacja uzupełniająca | bez łożyska koła |
| Informacja uzupełniająca | bez sworznia mocującego koła |
| Ciężar [kg] | 5,4 |
| Techniczny numer informacyjny | 55624PRO_HC |
TXT 92262403TARCZA HAM. MINI COOPER/MINI ONE 01-
Łódź0
Pabianice0
Milionowa0
M11 do 16.00 jutro
M7 do 17.50 jutro
M17 do 18.50 2dni
| Typ tarczy hamulcowej | z wentylacją wewnętrzną |
| średnica zewnętrzna [mm] | 276 |
| Grubość tarczy hamulcowej [mm] | 22 |
| Wysokość [mm] | 44 |
| Minimalna grubość [mm] | 20,4 |
| Powierzchnia | pokryty |
| Średnica wewnętrzna [mm] | 150,1 |
| Ø rozmieszczenia otworów [mm] | 100 |
| Średnica otworu centrującego [mm] | 64,1 |
| Wzór otworów/liczba otworów | 04/05 |
| Średnica otworu szpilki koła [mm] | 16,2 |
| Informacja uzupełniająca | bez piasty koła |
| Informacja uzupełniająca | bez łożyska koła |
| Informacja uzupełniająca | bez sworznia mocującego koła |
| Długość opakowania [cm] | 29,3 |
| Szerokość opakowania [cm] | 29,3 |
| Wysokość opakowania [cm] | 10,5 |
| Ciężar [kg] | 5,4 |