FEB 16731KLOCKI HAMULC. TOYOTA LANDCRUISER 98- TYŁ (!)
Łódź0
Pabianice0
Milionowa0
Do 10.10-na dziś 14.00
M3 do 18.20 jutro
M2 do 17.50 2dni
M17 do 18.50 2dni
| Długość [mm] | 123,1 |
| Szerokość [mm] | 45,1 |
| Oznaczenie kontrolne | ECE R90 Approved |
| Strona zabudowy | Oś tylna |
| Grubość 1 [mm] | 17,5 |
| uwzględnić informację serwisową |
FEB 23539Tarcza hamulcowa DAEWOO (!)
1 x TARCZA HAMULCOWA zgodnie z wymogami dotyczącymi bezpieczeństwa producent zaleca zakup i wymianę parami (2szt)
Łódź0
Pabianice0
Milionowa0
Do 10.10-na dziś 14.00
M3 do 18.20 jutro
M2 do 17.50 2dni
M17 do 18.50 2dni
| Grubość tarczy hamulcowej [mm] | 24 |
| Felga, liczba otworów | 5 |
| Liczba otworów do mocowania | 1 |
| Grubość [mm] | 47 |
| Średnica zewnętrzna [mm] | 256 |
| Ø rozmieszczenia otworów [mm] | 114,3 |
| Powierzchnia | pokryty |
| Typ tarczy hamulcowej | z wentylacją wewnętrzną |
| Strona zabudowy | Oś przednia |
| Minimalna grubość [mm] | 22 |
| Średnica otworu centrującego [mm] | 60 |
| uwzględnić informację serwisową |
SPA 28-11007PTarcza hamulcowa przód DAEWOO
1 x TARCZA HAMULCOWA zgodnie z wymogami dotyczącymi bezpieczeństwa producent zaleca zakup i wymianę parami (2szt) LEGANZA 2.0 97> /KOŁO 15"/


Łódź2
Pabianice1
Milionowa0
M4 do 16.00 2dni
ABS 16926Tarcza hamulcowa DAEWOO LEGANZA 97-04 (!)
1 x TARCZA HAMULCOWA zgodnie z wymogami dotyczącymi bezpieczeństwa producent zaleca zakup i wymianę parami (2szt)
Łódź0
Pabianice0
Milionowa0
Do 10.10-na dziś 14.00
M3 do 18.20 jutro
M17 do 18.50 2dni
| Średnica zewnętrzna [mm] | 256 |
| Grubość tarczy hamulcowej [mm] | 24 |
| Minimalna grubość [mm] | 22,4 |
| Wysokość [mm] | 47 |
| Felga, liczba otworów | 5 |
| Typ tarczy hamulcowej | wentylowany |
| Średnica otworu centrującego [mm] | 60 |
| Ø rozmieszczenia otworów [mm] | 114,3 |
| Średnica piasty [mm] | 149 |
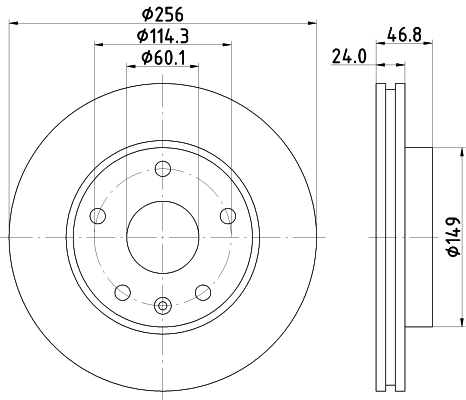
ATE 24.0124-0723.1Tarcza hamulcowa DAEWOO LEGANZA 97-04 (!)
1 x TARCZA HAMULCOWA zgodnie z wymogami dotyczącymi bezpieczeństwa producent zaleca zakup i wymianę parami (2szt)
Łódź0
Pabianice0
Milionowa0
Do 10.10-na dziś 14.00
M3 do 18.20 jutro
M2 do 17.50 2dni
M17 do 18.50 2dni
| Średnica zewnętrzna [mm] | 256,0 |
| Grubość tarczy hamulcowej [mm] | 24,0 |
| Minimalna grubość [mm] | 21,0 |
| Typ tarczy hamulcowej | wentylowany |
| Liczba otworów | 5 |
| Dostępne MAPP-Code | |
| Ø rozmieszczenia otworów [mm] | 114,3 |
| Wysokość [mm] | 46,8 |
| Średnica otworu centrującego [mm] | 60,0 |
| Średnica wewnętrzna [mm] | 137,0 |
| Średnica otworu [mm] | 12,6 |
| Oznaczenie kontrolne | E1 90R-02C0115/0218 |
BLP ADG04329TARCZA HAMULCOWA DAEWOO (!)
Łódź0
Pabianice0
Milionowa0
Do 10.10-na dziś 14.00
M3 do 18.20 jutro
M2 do 17.50 2dni
M17 do 18.50 2dni
| Grubość tarczy hamulcowej [mm] | 24 |
| Felga, liczba otworów | 5 |
| Liczba otworów do mocowania | 1 |
| Grubość [mm] | 47 |
| Średnica zewnętrzna [mm] | 256 |
| Ø rozmieszczenia otworów [mm] | 114 |
| Powierzchnia | pokryty |
| Typ tarczy hamulcowej | z wentylacją wewnętrzną |
| Strona zabudowy | Oś przednia |
| Minimalna grubość [mm] | 22 |
| Średnica otworu centrującego [mm] | 60 |
| uwzględnić informację serwisową |
JPN 30H0005-JPNTarcza hamulcowa przód - P96238673 (!)
1 x TARCZA HAMULCOWA zgodnie z wymogami dotyczącymi bezpieczeństwa producent zaleca zakup i wymianę parami (2szt) DAEWOO LEGANZA 2.0I DOHC 97 ->
Łódź0
Pabianice0
Milionowa0
Do 10.10-na dziś 14.00
M3 do 18.20 jutro
| Strona zabudowy | Oś przednia |
| Typ tarczy hamulcowej | wentylowany |
| Wysokość [mm] | 46,8 |
| Grubość tarczy hamulcowej [mm] | 24 |
| Średnica zewnętrzna [mm] | 256 |
| Liczba otworów | 5 |
| Średnica otworu centrującego [mm] | 60 |
| Ø rozmieszczenia otworów [mm] | 114,3 |
LUC DF6441TARCZA HAMULC. DAEWOO LEGANZA 97-04 (!)
1 x TARCZA HAMULCOWA zgodnie z wymogami dotyczącymi bezpieczeństwa producent zaleca zakup i wymianę parami (2szt)
Łódź0
Pabianice0
Milionowa0
Do 10.10-na dziś 14.00
M3 do 18.20 jutro
M2 do 17.50 2dni
M8 do 17.00 2dni
M9 do 15.00 jutro
M17 do 18.50 2dni
| Typ tarczy hamulcowej | wentylowany |
| Liczba otworów | 5 |
| Średnica zewnętrzna [mm] | 256 |
| Średnica otworu centrującego [mm] | 60 |
| Wysokość [mm] | 46,8 |
| Grubość tarczy hamulcowej [mm] | 24 |
ASH 60-0W-008Tarcza ham.DAEWOO LEGANZA 1.8-2.2 97- przcd /255.7x23.9/ASHIKA/
Łódź0
Pabianice0
Milionowa0
M2 do 17.50 2dni
M17 do 18.50 2dni
ASH 60-0W-008CTARCZA HAM./PRZ/ DAEWOO LEGANZA 97- @256
Łódź0
Pabianice0
Milionowa0
M2 do 17.50 2dni
| Strona zabudowy | Oś przednia |
| Ø rozmieszczenia otworów [mm] | 60 |
| Wysokość [mm] | 47,4 |
| Średnica zewnętrzna [mm] | 255,7 |
| Grubość tarczy hamulcowej [mm] | 23,9 |
| Minimalna grubość [mm] | 22 |
| Liczba otworów | 5 |
| Typ tarczy hamulcowej | wentylowany |
| Oznaczenie kontrolne | ECE R90 APPROVED |
| Powierzchnia | lakierowany |
| dla numeru OE | 96238673 |
DAC 605010Tarcza hamulcowa
256x24 Daewoo Leganza 97-04
Łódź0
Pabianice0
Milionowa0
M1 do 17.50 jutro
| Wysokość [mm] | 46,8 |
| Typ tarczy hamulcowej | wentylowany |
| Grubość tarczy hamulcowej [mm] | 24 |
| Minimalna grubość [mm] | 22,4 |
| Średnica zewnętrzna [mm] | 256 |
| Liczba otworów | 5 |
| Średnica otworu centrującego [mm] | 60 |
DEL BG3531TARCZA HAM. DAEWOO LEGANZA/CHEVROLET EVANDA
Łódź0
Pabianice0
Milionowa0
Do 10.10-na dziś 14.00
M3 do 18.20 jutro
M2 do 17.50 2dni
M11 do 16.00 jutro
M1 do 17.50 jutro
M17 do 18.50 2dni
| Typ tarczy hamulcowej | wentylowany |
| Liczba otworów | 5 |
| Oznaczenie kontrolne | E1 90R-02C0074/1561 |
| Powierzchnia | naoliwione |
| Średnica zewnętrzna [mm] | 256 |
| Grubość tarczy hamulcowej [mm] | 24 |
| Minimalna grubość [mm] | 22,4 |
| Średnica otworu centrującego [mm] | 60 |
| Wysokość [mm] | 47 |
HEL 8DD355113571tarcza ham. prz. DW
Łódź0
Pabianice0
Milionowa0
M1 do 17.50 jutro
| Typ tarczy hamulcowej | z wentylacją wewnętrzną |
| Średnica zewnętrzna [mm] | 256 |
| Grubość tarczy hamulcowej [mm] | 24 |
| Wysokość [mm] | 46,8 |
| Minimalna grubość [mm] | 22,4 |
| Średnica wewnętrzna [mm] | 137 |
| Ø rozmieszczenia otworów [mm] | 114,3 |
| Średnica otworu centrującego [mm] | 60,1 |
| Wzór otworów/liczba otworów | 05/06 |
| Średnica otworu szpilki koła [mm] | 12,8 |
| Informacja uzupełniająca | bez piasty koła |
| Informacja uzupełniająca | bez łożyska koła |
| Informacja uzupełniająca | bez sworznia mocującego koła |
| Ciężar [kg] | 5,5 |
| Techniczny numer informacyjny | 54556 |
JUR 562907JCTarcze hamulcowe
1 x TARCZA HAMULCOWA zgodnie z wymogami dotyczącymi bezpieczeństwa producent zaleca zakup i wymianę parami (2szt)
Łódź0
Pabianice0
Milionowa0
M2 do 17.50 2dni
| Typ tarczy hamulcowej | wentylowany |
| Średnica zewnętrzna [mm] | 256 |
| Grubość tarczy hamulcowej [mm] | 24 |
| Informacja uzupełniająca | ze śrubami |
| Wersja | JC |
| Wysokość [mm] | 47 |
| Średnica otworu centrującego [mm] | 60,1 |
| Liczba otworów | 5 |
| Jednostka ilości | Zestaw |
| Powierzchnia | pokryty |
| Oznaczenie kontrolne | R90 Homologated |
| Ciężar [kg] | 10,92 |
| Minimalna grubość [mm] | 22 |
| Rodzaj połączenia | Pudełko |
| Długość opakowania [cm] | 26,5 |
| Szerokość opakowania [cm] | 26,5 |
| Wysokość opakowania [cm] | 12 |
TXT 92155600TARCZA HAMULCOWA PRZOD
Łódź0
Pabianice0
Milionowa0
M17 do 18.50 2dni
| Typ tarczy hamulcowej | z wentylacją wewnętrzną |
| Średnica zewnętrzna [mm] | 256 |
| Grubość tarczy hamulcowej [mm] | 24 |
| Wysokość [mm] | 46,8 |
| Minimalna grubość [mm] | 22,4 |
| Średnica wewnętrzna [mm] | 137 |
| Ø rozmieszczenia otworów [mm] | 114,3 |
| Średnica otworu centrującego [mm] | 60,1 |
| Wzór otworów/liczba otworów | 05/06 |
| Średnica otworu szpilki koła [mm] | 12,8 |
| Informacja uzupełniająca | bez piasty koła |
| Informacja uzupełniająca | bez łożyska koła |
| Informacja uzupełniająca | bez sworznia mocującego koła |
| Długość opakowania [cm] | 27,8 |
| Szerokość opakowania [cm] | 27,8 |
| Wysokość opakowania [cm] | 12,2 |
| Ciężar [kg] | 5,5 |