JPN 30H1041-JPNTarcza hamulcowa przód
1 x TARCZA HAMULCOWA zgodnie z wymogami dotyczącymi bezpieczeństwa producent zaleca zakup i wymianę parami (2szt) NISSAN ALMERA N15 1.4I,1.6I,2.0D 97.07-> (252 MM / WENTYLOWANA)
Łódź2
Pabianice0
Milionowa0
Do 10.10-na dziś 14.00
M3 do 18.20 jutro
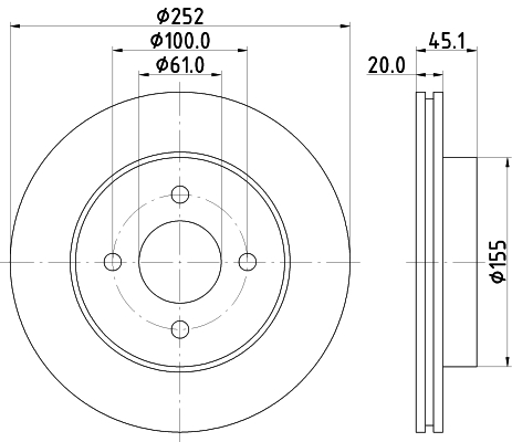
| Typ tarczy hamulcowej | wentylowany |
| Wysokość [mm] | 45,2 |
| Grubość tarczy hamulcowej [mm] | 20 |
| Wymiar gwintu | 12,6 |
| Średnica zewnętrzna [mm] | 252 |
| Liczba otworów | 4 |
| Średnica otworu centrującego [mm] | 61 |
| Ø rozmieszczenia otworów [mm] | 100 |
ASH 60-01-111CTARCZA HAM./PRZ/ NISSAN ALMERA 1,4-2,0D
Łódź0
Pabianice0
Milionowa0
M2 do 17.50 2dni
| Strona zabudowy | Oś przednia |
| Ø rozmieszczenia otworów [mm] | 61 |
| Wysokość [mm] | 45,5 |
| Średnica zewnętrzna [mm] | 251,5 |
| Grubość tarczy hamulcowej [mm] | 20 |
| Minimalna grubość [mm] | 19 |
| Liczba otworów | 4 |
| Typ tarczy hamulcowej | wentylowany |
| Powierzchnia | lakierowany |
| dla numeru OE | 402062N301 |
ATE 24.0120-0203.1Tarcza hamulcowa NISSAN ALMERA 97-99 (!)
1 x TARCZA HAMULCOWA zgodnie z wymogami dotyczącymi bezpieczeństwa producent zaleca zakup i wymianę parami (2szt)
Łódź0
Pabianice0
Milionowa0
Do 10.10-na dziś 14.00
M3 do 18.20 jutro
M2 do 17.50 2dni
M17 do 18.50 2dni
| Średnica zewnętrzna [mm] | 252,0 |
| Grubość tarczy hamulcowej [mm] | 20,0 |
| Minimalna grubość [mm] | 18,0 |
| Typ tarczy hamulcowej | wentylowany |
| Liczba otworów | 4 |
| Powierzchnia | pokryty |
| Dostępne MAPP-Code | |
| Ø rozmieszczenia otworów [mm] | 100,0 |
| Wysokość [mm] | 45,2 |
| Średnica otworu centrującego [mm] | 61,0 |
| Średnica wewnętrzna [mm] | 144,0 |
| Średnica otworu [mm] | 12,6 |
| Oznaczenie kontrolne | E1 90R-02C0115/0143 |
BLP ADN14397TARCZA HAMULCOWA PRZEDNIA (!)
Łódź0
Pabianice0
Milionowa0
Do 10.10-na dziś 14.00
M3 do 18.20 jutro
M2 do 17.50 2dni
M17 do 18.50 2dni
| Grubość tarczy hamulcowej [mm] | 20 |
| Felga, liczba otworów | 4 |
| Grubość [mm] | 46 |
| Średnica zewnętrzna [mm] | 252 |
| Ø rozmieszczenia otworów [mm] | 100 |
| Powierzchnia | pokryty |
| Typ tarczy hamulcowej | z wentylacją wewnętrzną |
| Strona zabudowy | Oś przednia |
| Minimalna grubość [mm] | 18 |
| Średnica otworu centrującego [mm] | 61 |
| uwzględnić informację serwisową |
BOS 0986479238TARCZA HAM.NISSAN ALMERA I -00 PRZÓD /BO (!)
1 x TARCZA HAMULCOWA zgodnie z wymogami dotyczącymi bezpieczeństwa producent zaleca zakup i wymianę parami (2szt)
Łódź0
Pabianice0
Milionowa0
Do 10.10-na dziś 14.00
M3 do 18.20 jutro
M2 do 17.50 2dni
M11 do 16.00 jutro
M1 do 17.50 jutro
M17 do 18.50 2dni
| Średnica zewnętrzna [mm] | 252 |
| Grubość tarczy hamulcowej [mm] | 20 |
| Minimalna grubość [mm] | 18 |
| Wysokość [mm] | 45,1 |
| Ø rozmieszczenia otworów [mm] | 100 |
| Typ tarczy hamulcowej | wentylowany |
| Średnica otworu centrującego [mm] | 61 |
| Liczba otworów | 4 |
| Powierzchnia | naoliwione |
| spełnia wymagania Normy ECE | ECE-R90 |
| Średnica otworu do [mm] | 12,8 |
DAC 602290Tarcza hamulcowa
1 x TARCZA HAMULCOWA zgodnie z wymogami dotyczącymi bezpieczeństwa producent zaleca zakup i wymianę parami (2szt) 252x20 Nissan Almera 97-99
Łódź0
Pabianice0
Milionowa0
Do 10.10-na dziś 14.00
M3 do 18.20 jutro
M1 do 17.50 jutro
| Wysokość [mm] | 45,2 |
| Typ tarczy hamulcowej | wentylowany |
| Grubość tarczy hamulcowej [mm] | 20 |
| Wymiar gwintu | 12,6 |
| Minimalna grubość [mm] | 18 |
| Średnica zewnętrzna [mm] | 252 |
| Liczba otworów | 4 |
| Średnica otworu centrującego [mm] | 61 |
DEL BG3932TARCZA HAM. NISSAN MICRA 00-02 (+ABS)
Łódź0
Pabianice0
Milionowa0
Do 10.10-na dziś 14.00
M3 do 18.20 jutro
M2 do 17.50 2dni
M11 do 16.00 jutro
M1 do 17.50 jutro
M17 do 18.50 2dni
| Typ tarczy hamulcowej | wentylowany |
| Liczba otworów | 4 |
| Oznaczenie kontrolne | E1 90R-02C0074/1605 |
| Powierzchnia | naoliwione |
| Średnica zewnętrzna [mm] | 252 |
| Grubość tarczy hamulcowej [mm] | 20 |
| Minimalna grubość [mm] | 18 |
| Średnica otworu centrującego [mm] | 61 |
| Wysokość [mm] | 45,4 |
DEC B130161TARCZA HAM. PRZÓD NISSAN ALM
1 x TARCZA HAMULCOWA zgodnie z wymogami dotyczącymi bezpieczeństwa producent zaleca zakup i wymianę parami (2szt)
Łódź0
Pabianice0
Milionowa0
M17 do 18.50 2dni
| Minimalna grubość [mm] | 18 |
| Typ tarczy hamulcowej | wentylowany |
| Średnica otworu [mm] | 12,6 |
| Grubość tarczy hamulcowej [mm] | 20 |
| Ø rozmieszczenia otworów [mm] | 100 |
| Liczba otworów | 4 |
| Średnica wewnętrzna [mm] | 144 |
| Wysokość [mm] | 45,2 |
| Średnica otworu centrującego [mm] | 61 |
| Średnica zewnętrzna [mm] | 252 |
| Rozporządzenie UE w sprawie bezpieczeństwa produktów (GPSR) | IEC 60417-6183 wymagana specjalistyczna wiedza mechaniczna |
FEB 108648TARCZA HAMULC. NISSAN ALMERA 97-99 (!)
1 x TARCZA HAMULCOWA zgodnie z wymogami dotyczącymi bezpieczeństwa producent zaleca zakup i wymianę parami (2szt)
Łódź0
Pabianice0
Milionowa0
Do 10.10-na dziś 14.00
M3 do 18.20 jutro
M2 do 17.50 2dni
M17 do 18.50 2dni
| Grubość tarczy hamulcowej [mm] | 20 |
| Felga, liczba otworów | 4 |
| Grubość [mm] | 46 |
| Średnica zewnętrzna [mm] | 252 |
| Ø rozmieszczenia otworów [mm] | 100 |
| Powierzchnia | pokryty |
| Typ tarczy hamulcowej | z wentylacją wewnętrzną |
| Strona zabudowy | Oś przednia |
| Minimalna grubość [mm] | 18 |
| Średnica otworu centrującego [mm] | 61 |
| uwzględnić informację serwisową |
HEL 8DD355112961tarcza ham. prz. NI
Łódź0
Pabianice0
Milionowa0
M1 do 17.50 jutro
| Typ tarczy hamulcowej | z wentylacją wewnętrzną |
| Średnica zewnętrzna [mm] | 252 |
| Grubość tarczy hamulcowej [mm] | 20 |
| Wysokość [mm] | 45,1 |
| Minimalna grubość [mm] | 18 |
| Średnica wewnętrzna [mm] | 144 |
| Ø rozmieszczenia otworów [mm] | 100 |
| Średnica otworu centrującego [mm] | 61 |
| Wzór otworów/liczba otworów | 04/04 |
| Średnica otworu szpilki koła [mm] | 12,8 |
| Informacja uzupełniająca | bez piasty koła |
| Informacja uzupełniająca | bez łożyska koła |
| Informacja uzupełniająca | bez sworznia mocującego koła |
| Ciężar [kg] | 4,9 |
| Techniczny numer informacyjny | 54488 |
JUR 562424JCTarcze hamulcowe
1 x TARCZA HAMULCOWA zgodnie z wymogami dotyczącymi bezpieczeństwa producent zaleca zakup i wymianę parami (2szt)
Łódź0
Pabianice0
Milionowa0
M2 do 17.50 2dni
| Typ tarczy hamulcowej | wentylowany |
| Średnica zewnętrzna [mm] | 252 |
| Grubość tarczy hamulcowej [mm] | 20 |
| Informacja uzupełniająca | bez śrub |
| Wersja | JC |
| Wysokość [mm] | 45 |
| Średnica otworu centrującego [mm] | 61 |
| Liczba otworów | 4 |
| Jednostka ilości | Zestaw |
| Powierzchnia | pokryty |
| Ciężar [kg] | 9,98 |
| Minimalna grubość [mm] | 18 |
| Rodzaj połączenia | Pudełko |
| Długość opakowania [cm] | 26,5 |
| Szerokość opakowania [cm] | 26,5 |
| Wysokość opakowania [cm] | 12 |
TXT 92148800TARCZA HAMULCOWA PRZOD
Łódź0
Pabianice0
Milionowa0
M17 do 18.50 2dni
| Typ tarczy hamulcowej | z wentylacją wewnętrzną |
| Średnica zewnętrzna [mm] | 252 |
| Grubość tarczy hamulcowej [mm] | 20 |
| Wysokość [mm] | 45,1 |
| Minimalna grubość [mm] | 18 |
| Średnica wewnętrzna [mm] | 144 |
| Ø rozmieszczenia otworów [mm] | 100 |
| Średnica otworu centrującego [mm] | 61 |
| Wzór otworów/liczba otworów | 04/04 |
| Średnica otworu szpilki koła [mm] | 12,8 |
| Informacja uzupełniająca | bez piasty koła |
| Informacja uzupełniająca | bez łożyska koła |
| Informacja uzupełniająca | bez sworznia mocującego koła |
| Długość opakowania [cm] | 27,8 |
| Szerokość opakowania [cm] | 27,8 |
| Wysokość opakowania [cm] | 10,5 |
| Ciężar [kg] | 4,9 |
LUC DF4254Tarcza hamulcowa NISSAN ALMERA 97-99 (!)
1 x TARCZA HAMULCOWA zgodnie z wymogami dotyczącymi bezpieczeństwa producent zaleca zakup i wymianę parami (2szt) NISSAN ALMERA I HATCHBACK (N15) 09/95-03/00 (+ABS)
Łódź0
Pabianice0
Milionowa0
Do 10.10-na dziś 14.00
M3 do 18.20 jutro
M2 do 17.50 2dni
M8 do 17.00 2dni
M9 do 15.00 jutro
M17 do 18.50 2dni
| Typ tarczy hamulcowej | wentylowany |
| Średnica zewnętrzna [mm] | 252 |
| Grubość tarczy hamulcowej [mm] | 20 |
| Średnica otworu centrującego [mm] | 61 |
| Wysokość [mm] | 45,2 |
| Liczba otworów | 4 |