0| Oś przednia | |
| Kod towaru | ASH 60-04-401C |
| Producent | ASHIKA |
| Opis | tarcza hamulcowa |
| Strona zabudowy | Oś przednia |
| Ø rozmieszczenia otworów [mm] | 92 |
| Wysokość [mm] | 35 |
| Średnica zewnętrzna [mm] | 281,2 |
| Grubość tarczy hamulcowej [mm] | 25 |
| Minimalna grubość [mm] | 23 |
| Liczba otworów | 4 |
| Typ tarczy hamulcowej | wentylowany |
| Oznaczenie kontrolne | ECE R90 APPROVED |
| Powierzchnia | lakierowany |
| Moment dokręcenia [Nm] | 108 |
| dla numeru OE | 45251SM5A00 |
00| Kod towaru | ASH 60-04-424 |
| Producent | ASHIKA |
| Opis | tarcza hamulcowa |
0| Oś przednia | |
| Kod towaru | ASH 60-04-424C |
| Producent | ASHIKA |
| Opis | tarcza hamulcowa |
| Strona zabudowy | Oś przednia |
| Ø rozmieszczenia otworów [mm] | 92 |
| Wysokość [mm] | 34,4 |
| Średnica zewnętrzna [mm] | 281,6 |
| Grubość tarczy hamulcowej [mm] | 23 |
| Minimalna grubość [mm] | 21 |
| Liczba otworów | 4 |
| Typ tarczy hamulcowej | wentylowany |
| Oznaczenie kontrolne | ECE R90 APPROVED |
| Powierzchnia | lakierowany |
| Moment dokręcenia [Nm] | 108 |
| dla numeru OE | 45251SM4G02 |
0
0
00| Kod towaru | ATE 24.0123-0103.1 |
| Producent | ATE |
| Opis | tarcza hamulcowa |
| Średnica zewnętrzna [mm] | 260,0 |
| Grubość tarczy hamulcowej [mm] | 23,0 |
| Minimalna grubość [mm] | 21,0 |
| Typ tarczy hamulcowej | wentylowany |
| Powierzchnia | pokryty |
| Liczba otworów | 4 |
| Dostępne MAPP-Code | |
| Ø rozmieszczenia otworów [mm] | 114,3 |
| Wysokość [mm] | 34,0 |
| Średnica otworu centrującego [mm] | 92,0 |
| Średnica wewnętrzna [mm] | 160,0 |
| Wymiar gwintu | M10x1,25 |
| Oznaczenie kontrolne | E1 90R-02C0115/0455 |
0
0
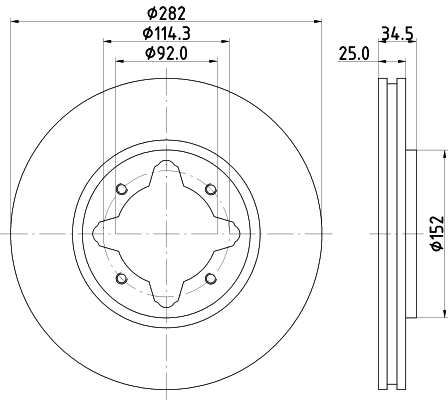
00| Kod towaru | ATE 24.0125-0130.1 |
| Producent | ATE |
| Opis | tarcza hamulcowa |
| Średnica zewnętrzna [mm] | 282,0 |
| Grubość tarczy hamulcowej [mm] | 25,0 |
| Minimalna grubość [mm] | 23,0 |
| Typ tarczy hamulcowej | wentylowany |
| Liczba otworów | 4 |
| Dostępne MAPP-Code | |
| Ø rozmieszczenia otworów [mm] | 114,3 |
| Wysokość [mm] | 34,5 |
| Średnica otworu centrującego [mm] | 92,0 |
| Średnica wewnętrzna [mm] | 171,0 |
| Wymiar gwintu | M10x1,25 |
0| Oś przednia | |
| Kod towaru | BLP ADH24339 |
| Producent | BLUE PRINT |
| Opis | tarcza hamulcowa |
| Grubość tarczy hamulcowej [mm] | 23 |
| Felga, liczba otworów | 4 |
| Grubość [mm] | 34 |
| Średnica zewnętrzna [mm] | 282 |
| Ø rozmieszczenia otworów [mm] | 114 |
| Powierzchnia | pokryty |
| Typ tarczy hamulcowej | z wentylacją wewnętrzną |
| Strona zabudowy | Oś przednia |
| Minimalna grubość [mm] | 21 |
| Średnica otworu centrującego [mm] | 92 |
| Przestrzegać informacji serwisowych | |
0
0
00| Kod towaru | BOS 0986478634 |
| Producent | BOSCH |
| Opis | tarcza hamulcowa |
| Średnica zewnętrzna [mm] | 282 |
| Grubość tarczy hamulcowej [mm] | 25 |
| Minimalna grubość [mm] | 23 |
| Wysokość [mm] | 34,5 |
| Ø rozmieszczenia otworów [mm] | 114,3 |
| Typ tarczy hamulcowej | wentylowany |
| Średnica otworu centrującego [mm] | 92,04 |
| Liczba otworów | 4 |
| Powierzchnia | naoliwione |
| spełnia wymagania Normy ECE | ECE-R90 |
0
0
0| Kod towaru | BRE 09.5804.10 |
| Producent | BREMBO |
| Opis | tarcza hamulcowa |
| Typ tarczy hamulcowej | z wentylacją wewnętrzną |
| Grubość tarczy hamulcowej [mm] | 23 |
| Liczba otworów | 4 |
| Wysokość [mm] | 34 |
| Średnica otworu centrującego [mm] | 92 |
| Średnica zewnętrzna [mm] | 282 |
| Minimalna grubość [mm] | 21 |
| Moment dokręcenia [Nm] | 108 |
0
0
0| Kod towaru | BRE 09.6726.10 |
| Producent | BREMBO |
| Opis | tarcza hamulcowa |
| Typ tarczy hamulcowej | z wentylacją wewnętrzną |
| Grubość tarczy hamulcowej [mm] | 25 |
| Liczba otworów | 4 |
| Wysokość [mm] | 35 |
| Średnica otworu centrującego [mm] | 92 |
| Średnica zewnętrzna [mm] | 282 |
| Minimalna grubość [mm] | 23 |
| Moment dokręcenia [Nm] | 108 |
0
0
0| Kod towaru | BRE 09.9611.14 |
| Producent | BREMBO |
| Opis | tarcza hamulcowa |
| Typ tarczy hamulcowej | z wentylacją wewnętrzną |
| Grubość tarczy hamulcowej [mm] | 23 |
| Liczba otworów | 4 |
| Wysokość [mm] | 34 |
| Średnica otworu centrującego [mm] | 92 |
| Średnica zewnętrzna [mm] | 259 |
| Minimalna grubość [mm] | 21 |
| Moment dokręcenia [Nm] | 110 |
| Kod towaru | DAC 609904 |
| Producent | DACO GERMANY |
| Opis | tarcza hamulcowa |
| Wysokość [mm] | 34 |
| Typ tarczy hamulcowej | wentylowany |
| Grubość tarczy hamulcowej [mm] | 23 |
| Wymiar gwintu | M10 x 1.25 |
| Minimalna grubość [mm] | 21 |
| Średnica zewnętrzna [mm] | 282 |
| Liczba otworów | 4 |
| Średnica otworu centrującego [mm] | 92 |
| Kod towaru | DAC 609945 |
| Producent | DACO GERMANY |
| Opis | tarcza hamulcowa |
| Wysokość [mm] | 34 |
| Typ tarczy hamulcowej | wentylowany |
| Grubość tarczy hamulcowej [mm] | 23 |
| Wymiar gwintu | M10 x 1.25 |
| Minimalna grubość [mm] | 21 |
| Średnica zewnętrzna [mm] | 259 |
| Liczba otworów | 4 |
| Średnica otworu centrującego [mm] | 92 |
0
00
00| Kod towaru | DEL BG2815 |
| Producent | DELPHI |
| Opis | tarcza hamulcowa |
| Typ tarczy hamulcowej | wentylowany |
| Liczba otworów | 4 |
| Oznaczenie kontrolne | E1 90R-02C0074/1607 |
| Powierzchnia | naoliwione |
| Średnica zewnętrzna [mm] | 282 |
| Grubość tarczy hamulcowej [mm] | 23 |
| Minimalna grubość [mm] | 21 |
| Średnica otworu centrującego [mm] | 64 |
| Wysokość [mm] | 48 |
0
00
00| Kod towaru | DEL BG2816 |
| Producent | DELPHI |
| Opis | tarcza hamulcowa |
| Typ tarczy hamulcowej | wentylowany |
| Liczba otworów | 4 |
| Oznaczenie kontrolne | E1 90R-02C0074/1607 |
| Powierzchnia | naoliwione |
| Średnica zewnętrzna [mm] | 282 |
| Grubość tarczy hamulcowej [mm] | 23 |
| Minimalna grubość [mm] | 21 |
| Średnica otworu centrującego [mm] | 92 |
| Wysokość [mm] | 34 |
0
00
00| Kod towaru | DEL BG3060 |
| Producent | DELPHI |
| Opis | tarcza hamulcowa |
| Typ tarczy hamulcowej | pełny |
| Liczba otworów | 5 |
| Oznaczenie kontrolne | E1 90R-02C0241/1595 |
| Powierzchnia | naoliwione |
| Średnica zewnętrzna [mm] | 282 |
| Grubość tarczy hamulcowej [mm] | 9 |
| Minimalna grubość [mm] | 7,5 |
| Średnica otworu centrującego [mm] | 70,1 |
| Wysokość [mm] | 62 |
0| Oś przednia | |
| Kod towaru | DP1010.11.0996 |
| Producent | DR!VE+ |
| Opis | tarcza hamulcowa |
| Felga, liczba otworów | 4 |
| Strona zabudowy | Oś przednia |
| Długość [mm] | 259,8 |
| Wysokość [mm] | 34 |
| Typ tarczy hamulcowej | wentylowany |
| Grubość tarczy hamulcowej [mm] | 23 |
| Minimalna grubość [mm] | 21 |
| Średnica zewnętrzna [mm] | 260 |
| Średnica otworu centrującego [mm] | 92 |
| Powierzchnia | naoliwione |
| Kod towaru | HEL 8DD355104971 |
| Producent | HELLA PAGID |
| Opis | tarcza hamulcowa |
| Typ tarczy hamulcowej | z wentylacją wewnętrzną |
| Średnica zewnętrzna [mm] | 282 |
| Grubość tarczy hamulcowej [mm] | 25 |
| Wysokość [mm] | 34,5 |
| Minimalna grubość [mm] | 23 |
| Średnica wewnętrzna [mm] | 140,5 |
| Ø rozmieszczenia otworów [mm] | 114,3 |
| Średnica otworu centrującego [mm] | 92 |
| Wzór otworów/liczba otworów | 04/04 |
| Średnica otworu szpilki koła [mm] | 10 |
| Informacja uzupełniająca | bez piasty koła |
| Informacja uzupełniająca | bez łożyska koła |
| Informacja uzupełniająca | bez sworznia mocującego koła |
| Ciężar [kg] | 5,9 |
| Techniczny numer informacyjny | 51121 |
0
0| Kod towaru | JPN 30H4020-JPN |
| Producent | JPN |
| Opis | tarcza hamulcowa |
| Typ tarczy hamulcowej | wentylowany |
| Wysokość [mm] | 34 |
| Grubość tarczy hamulcowej [mm] | 23 |
| Wymiar gwintu | M10 x 1.25 |
| Średnica zewnętrzna [mm] | 259 |
| Liczba otworów | 4 |
| Średnica otworu centrującego [mm] | 92 |
| Ø rozmieszczenia otworów [mm] | 114,3 |
0| Oś przednia | |
| Kod towaru | SAS 9004536J |
| Producent | SASIC |
| Opis | tarcza hamulcowa |
| Strona zabudowy | Oś przednia |
| Typ tarczy hamulcowej | wentylowany |
| Grubość tarczy hamulcowej [mm] | 23 |
| Średnica zewnętrzna [mm] | 282 |
| dla numeru OE | 45251SM4G02 |
0| Kod towaru | TXT 92078100 |
| Producent | TEXTAR |
| Opis | tarcza hamulcowa |
| Typ tarczy hamulcowej | z wentylacją wewnętrzną |
| Średnica zewnętrzna [mm] | 282 |
| Grubość tarczy hamulcowej [mm] | 25 |
| Wysokość [mm] | 34,5 |
| Minimalna grubość [mm] | 23 |
| Średnica wewnętrzna [mm] | 140,5 |
| Ø rozmieszczenia otworów [mm] | 114,3 |
| Średnica otworu centrującego [mm] | 92 |
| Wzór otworów/liczba otworów | 04/04 |
| Średnica otworu szpilki koła [mm] | 10 |
| Informacja uzupełniająca | bez piasty koła |
| Informacja uzupełniająca | bez łożyska koła |
| Informacja uzupełniająca | bez sworznia mocującego koła |
| Długość opakowania [cm] | 30,3 |
| Szerokość opakowania [cm] | 30,3 |
| Wysokość opakowania [cm] | 8,6 |
| Ciężar [kg] | 5,9 |
0
00
000| Kod towaru | LUC DF2024 |
| Producent | TRW |
| Opis | tarcza hamulcowa |
| Typ tarczy hamulcowej | wentylowany |
| Średnica zewnętrzna [mm] | 259 |
| Grubość tarczy hamulcowej [mm] | 23 |
| Minimalna grubość [mm] | 21 |
| Średnica otworu centrującego [mm] | 92 |
| Wysokość [mm] | 34 |
| Liczba otworów | 4 |
| Wymiar gwintu | M10 x 1.25 |
| Ø rozmieszczenia otworów [mm] | 114,3 |
| Kolor | czarny |
| Powierzchnia | lakierowany |
| Oznaczenie kontrolne | E1 90R-02 C0176/0706 |
0
00
000| Kod towaru | LUC DF2679 |
| Producent | TRW |
| Opis | tarcza hamulcowa |
| Typ tarczy hamulcowej | wentylowany |
| Średnica zewnętrzna [mm] | 282 |
| Grubość tarczy hamulcowej [mm] | 23 |
| Minimalna grubość [mm] | 21 |
| Średnica otworu centrującego [mm] | 92 |
| Wysokość [mm] | 34 |
| Liczba otworów | 4 |
| Wymiar gwintu | M10 x 1.25 |
| Ø rozmieszczenia otworów [mm] | 114,3 |
| Kolor | czarny |
| Powierzchnia | lakierowany |
| Oznaczenie kontrolne | E1 90R-02 C0176/0448 |
0
00
000| Kod towaru | LUC DF3084 |
| Producent | TRW |
| Opis | tarcza hamulcowa |
| Typ tarczy hamulcowej | wentylowany |
| Średnica zewnętrzna [mm] | 282 |
| Grubość tarczy hamulcowej [mm] | 25 |
| Minimalna grubość [mm] | 23 |
| Średnica otworu centrującego [mm] | 92 |
| Wysokość [mm] | 34,5 |
| Liczba otworów | 4 |
| Wymiar gwintu | M10 x 1.25 |
| Ø rozmieszczenia otworów [mm] | 114 |
| Kolor | czarny |
| Powierzchnia | lakierowany |
| Oznaczenie kontrolne | E1 90R-02 C0176/0448 |
