Łódź 0
Pabianice 0
Milionowa 0
M1 do 17.50 jutro

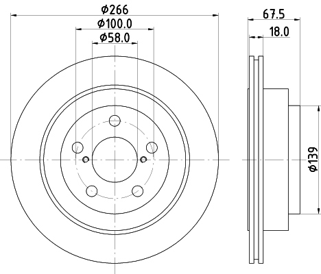
| Typ tarczy hamulcowej | z wentylacją wewnętrzną |
| średnica zewnętrzna [mm] | 266 |
| Grubość tarczy hamulcowej [mm] | 18 |
| Wysokość [mm] | 67,5 |
| Minimalna grubość [mm] | 16 |
| Średnica wewnętrzna [mm] | 170 |
| Ø rozmieszczenia otworów [mm] | 100 |
| Średnica otworu centrującego [mm] | 58 |
| Wzór otworów/liczba otworów | 05/07 |
| Średnica otworu szpilki koła [mm] | 12,9 |
| Artykuł uzupełniający / informacja uzupełniająca 2 | bez piasty koła |
| Artykuł uzupełniający / informacja uzupełniająca 2 | bez łożyska koła |
| Artykuł uzupełniający / informacja uzupełniająca 2 | bez sworznia mocującego koła |
| Ciężar [kg] | 5 |
| Techniczny numer informacyjny | 54421 |