
| MPN: | 8DD 355 104-901 |
| Indeks: | HEL 8DD355104901 |
| Producent: | HELLA PAGID |
| Opis: | tarcza hamulcowa |
| Typ tarczy hamulcowej | z wentylacją wewnętrzną |
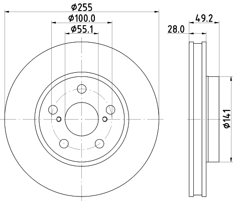
| Średnica zewnętrzna [mm] | 255 |
| Grubość tarczy hamulcowej [mm] | 28 |
| Wysokość [mm] | 49,2 |
| Minimalna grubość [mm] | 27 |
| Średnica wewnętrzna [mm] | 131,2 |
| Ø rozmieszczenia otworów [mm] | 100 |
| Średnica otworu centrującego [mm] | 55,1 |
| Wzór otworów/liczba otworów | 05/07 |
| Średnica otworu szpilki koła [mm] | 14,7 |
| Artykuł uzupełniający / informacja uzupełniająca 2 | bez piasty koła |
| Artykuł uzupełniający / informacja uzupełniająca 2 | bez łożyska koła |
| Artykuł uzupełniający / informacja uzupełniająca 2 | bez sworznia mocującego koła |
| Ciężar [kg] | 5,2 |
| Techniczny numer informacyjny | 53643 |