Łódź 0
Pabianice 0
Milionowa 0
M1 do 17.50 jutro

| Typ tarczy hamulcowej | z wentylacją wewnętrzną |
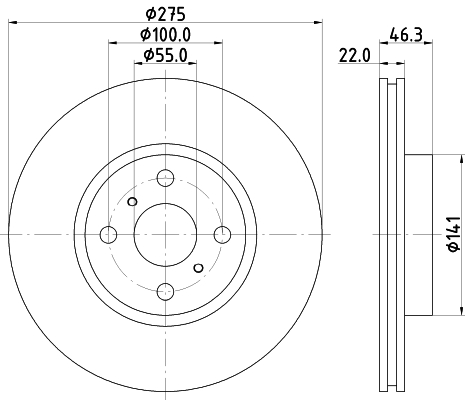
| średnica zewnętrzna [mm] | 275 |
| Grubość tarczy hamulcowej [mm] | 22 |
| Wysokość [mm] | 46,3 |
| Minimalna grubość [mm] | 19 |
| Średnica wewnętrzna [mm] | 131 |
| Ø rozmieszczenia otworów [mm] | 100 |
| Średnica otworu centrującego [mm] | 55 |
| Wzór otworów/liczba otworów | 04/06 |
| Średnica otworu szpilki koła [mm] | 14,5 |
| Artykuł uzupełniający / informacja uzupełniająca 2 | bez piasty koła |
| Artykuł uzupełniający / informacja uzupełniająca 2 | bez łożyska koła |
| Artykuł uzupełniający / informacja uzupełniająca 2 | bez sworznia mocującego koła |
| Ciężar [kg] | 6,2 |
| Techniczny numer informacyjny | 54562 |