Łódź 0
Pabianice 0
Milionowa 0
M1 do 17.50 jutro

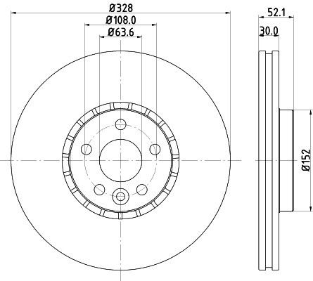
| Typ tarczy hamulcowej | wentylowany zewnętrznie |
| średnica zewnętrzna [mm] | 328 |
| Grubość tarczy hamulcowej [mm] | 30 |
| Wysokość [mm] | 52,1 |
| Minimalna grubość [mm] | 28 |
| Powierzchnia | pokryty |
| Średnica wewnętrzna [mm] | 140 |
| Ø rozmieszczenia otworów [mm] | 108 |
| Średnica otworu centrującego [mm] | 63,6 |
| Wzór otworów/liczba otworów | 05/06 |
| Średnica otworu szpilki koła [mm] | 15,7 |
| Artykuł uzupełniający / informacja uzupełniająca 2 | bez piasty koła |
| Artykuł uzupełniający / informacja uzupełniająca 2 | bez łożyska koła |
| Artykuł uzupełniający / informacja uzupełniająca 2 | bez sworznia mocującego koła |
| Ciężar [kg] | 12 |
| Techniczny numer informacyjny | 54963PRO |