Łódź 0
Pabianice 0
Milionowa 0
M1 do 17.50 jutro

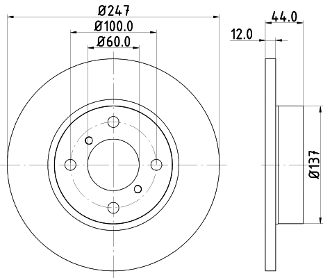
| Typ tarczy hamulcowej | pełny |
| średnica zewnętrzna [mm] | 247 |
| Grubość tarczy hamulcowej [mm] | 12 |
| Wysokość [mm] | 44 |
| Minimalna grubość [mm] | 10 |
| Powierzchnia | pokryty |
| Średnica wewnętrzna [mm] | 125,1 |
| Ø rozmieszczenia otworów [mm] | 100 |
| Średnica otworu centrującego [mm] | 60 |
| Wzór otworów/liczba otworów | 04/06 |
| Średnica otworu szpilki koła [mm] | 12,8 |
| Artykuł uzupełniający / informacja uzupełniająca 2 | bez piasty koła |
| Artykuł uzupełniający / informacja uzupełniająca 2 | bez łożyska koła |
| Artykuł uzupełniający / informacja uzupełniająca 2 | bez sworznia mocującego koła |
| Ciężar [kg] | 4 |
| Techniczny numer informacyjny | 50357PRO |