Łódź 0
Pabianice 0
Milionowa 0
M1 do 17.50 jutro

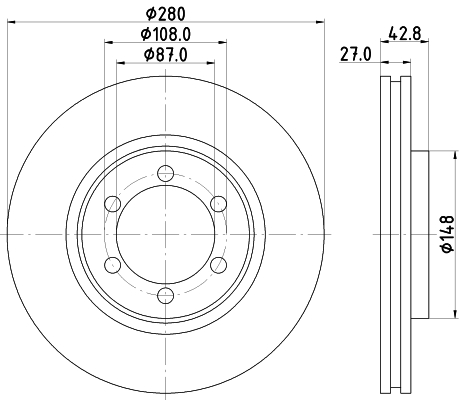
| Typ tarczy hamulcowej | z wentylacją wewnętrzną |
| średnica zewnętrzna [mm] | 280 |
| Grubość tarczy hamulcowej [mm] | 27 |
| Wysokość [mm] | 42,8 |
| Minimalna grubość [mm] | 25,4 |
| Powierzchnia | pokryty |
| Średnica wewnętrzna [mm] | 136 |
| Ø rozmieszczenia otworów [mm] | 108 |
| Średnica otworu centrującego [mm] | 87 |
| Wzór otworów/liczba otworów | 06/06 |
| Średnica otworu szpilki koła [mm] | 10,7 |
| Artykuł uzupełniający / informacja uzupełniająca 2 | bez piasty koła |
| Artykuł uzupełniający / informacja uzupełniająca 2 | bez łożyska koła |
| Artykuł uzupełniający / informacja uzupełniająca 2 | bez sworznia mocującego koła |
| Ciężar [kg] | 6,9 |
| Techniczny numer informacyjny | 54365PRO |